多功能水泵控制阀
产品概况
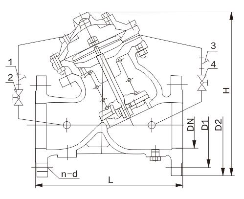
结构特点
1. 具有缓开功能,可解决传统的人为关阀开泵
2. 具有缓闭功能,可人为调设关闭时间,自动实现缓闭、消除水锤
3. 具有良好的止回功能,采用具有很好弹性和高耐磨性橡胶做密封材料,关闭后可达到滴水不漏。
4. 动作灵敏,不会出现失控现象。
5. 无须人为操作,在管网运行的全过程中均为自动工作。
6. 维修保养方便,无需从管道上整台拆除阀门,在修理时找准故障原因,只需局部检修。
7. 该阀内外及所有易腐蚀件均采用静电喷塑处理,长期用于污水中不会生锈。
8. 在管路中立、卧安装性能不变。
执行标准
质量保证:ISO9000
设计:CJ/T167
结构长度:GB/T12221
法兰标准:GB/T17241.6\API 598 GB/T 9113
试验标准:GB/T13927
性能参数
主要材质:灰铸铁、球墨铸铁、碳钢
公称通径:DN50~1200mm
公称压力:PN1.0~2.5MPa
适用温度:<80℃
适用介质:水及物理、化学性质类似于水的介质
|
DN |
50 |
65 |
80 |
100 |
125 |
150 |
200 |
250 |
300 |
350 |
400 |
450 |
500 |
600 |
700 |
800 |
900 |
1000 |
1200 |
|
L |
203 |
216 |
241 |
292 |
330 |
356 |
457 |
533 |
610 |
686 |
762 |
864 |
914 |
1067 |
1300 |
1450 |
1650 |
1800 |
2000 |
|
H |
293 |
328 |
364 |
418 |
481 |
543 |
673 |
729 |
927 |
957 |
1188 |
1218 |
1256 |
1600 |
1800 |
1870 |
1980 |
2300 |
2600 |





