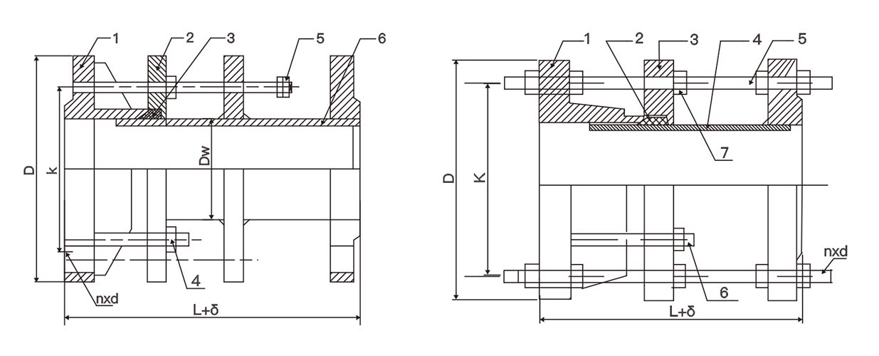
结构特点
传力接头是在法兰松套补偿接头的基础上増设法兰短管及传力螺杆而成,此类型的补偿接头与松套补偿接头和松套限位补偿接头不同的是它的补偿量是指在安装及拆卸过程中的调节量,一旦将所有的螺母拧紧,它是刚性连接的,可以传递轴心力,从而保护阀门、泵等设备。
执行标准
接头标准:GB/T12465-2002
设计标准:GB/T12465-2007,GB/T12465-2002,GB/T14414-1993
性能参数
产品名称:双法兰传力接头
公称通径:DN65~3200mm
产品压强:PN1.0MPa-2.5MPa
适应温度:-10℃至80℃
密封形式:软性密封
连接方式:法兰式连接
安装方式:立式和卧式安装
|
DN |
DW |
外形尺寸 |
调节量△ |
法兰连接尺寸 |
|||||||||||
|
0.6MPa |
1.0MPa |
||||||||||||||
|
Dw |
Do |
L |
L2 |
L1 |
D |
K |
n-Th |
D |
K |
n-Th |
D |
K |
n-Th |
||
|
65 |
76 |
76 |
400 |
200 |
400 |
±20 |
160 |
130 |
4-M12 |
185 |
145 |
4-M16 |
185 |
145 |
4-M16 |
|
80 |
89 |
89 |
190 |
150 |
4-M16 |
200 |
160 |
4-M16 |
200 |
160 |
4-M16 |
||||
|
100 |
114 |
114 |
210 |
170 |
220 |
180 |
220 |
180 |
|||||||
|
125 |
140 |
140 |
240 |
200 |
4-M16 |
250 |
210 |
4-M20 |
250 |
210 |
|||||
|
150 |
168 |
168 |
265 |
225 |
285 |
240 |
285 |
240 |
4-M20 |
||||||
|
200 |
219 |
219 |
320 |
380 |
340 |
295 |
340 |
295 |
6-M20 |
||||||
|
250 |
273 |
273 |
375 |
335 |
6-M16 |
395 |
350 |
6-M20 |
405 |
355 |
6-M24 |
||||
|
300 |
325 |
325 |
420 |
220 |
420 |
±25 |
440 |
395 |
6-M20 |
340 |
400 |
460 |
410 |
||
|
350 |
377 |
377 |
490 |
445 |
395 |
460 |
8-M20 |
520 |
470 |
16-M45 |
|||||
|
400 |
426 |
426 |
540 |
495 |
8-M20 |
445 |
515 |
8-M24 |
580 |
525 |
14-M39 |
||||
|
450 |
480 |
480 |
595 |
550 |
505 |
565 |
10-M24 |
640 |
585 |
14-M36 |
|||||
|
500 |
530 |
530 |
440 |
240 |
440 |
645 |
600 |
10-M20 |
565 |
620 |
- |
715 |
650 |
12-M36 |
|
|
600 |
630 |
630 |
755 |
705 |
10-M24 |
615 |
725 |
10-M27 |
840 |
770 |
12-M33 |
||||
|
700 |
720 |
720 |
860 |
810 |
12-M24 |
670 |
840 |
12-M27 |
910 |
840 |
10-M33 |
||||
|
800 |
820 |
820 |
600 |
350 |
600 |
±30 |
975 |
920 |
12-M27 |
780 |
950 |
12-M30 |
1025 |
950 |
10-M30 |
|
900 |
920 |
920 |
1075 |
1020 |
895 |
1050 |
14-M30 |
1125 |
1050 |
10-M27 |
|||||
|
1000 |
1020 |
1020 |
620 |
1175 |
1120 |
14-M27 |
1115 |
1160 |
14-M33 |
1255 |
1170 |
8-M27 |
|||
|
1200 |
1220 |
1220 |
370 |
650 |
1405 |
1340 |
16-M30 |
1230 |
1380 |
16-M36 |
1485 |
1390 |
8-M24 |
||
|
1400 |
1420 |
1424 |
630 |
1630 |
1560 |
18-M33 |
1675 |
1590 |
18-M39 |
1685 |
1590 |
18-M45 |
|||
|
1600 |
1620 |
1624 |
380 |
670 |
1830 |
1760 |
20-M33 |
1915 |
1820 |
20-M45 |
1930 |
1820 |
20-M52 |
||
|
1800 |
1820 |
1824 |
2045 |
1970 |
22-M36 |
2115 |
2020 |
22-M45 |
2130 |
2020 |
22-M52 |
||||
|
2000 |
2020 |
2026 |
650 |
400 |
700 |
2265 |
2180 |
24-M39 |
2325 |
2230 |
24-M45 |
2345 |
2230 |
22-M56 |
|
|
2200 |
2220 |
2226 |
730 |
2478 |
2390 |
26-M39 |
2550 |
2440 |
26-M52 |
- |
- |
- |
|||
|
2400 |
2420 |
2426 |
2685 |
3600 |
28-M39 |
2760 |
2650 |
28-M52 |
- |
- |
- |
||||
|
2600 |
2620 |
2626 |
750 |
450 |
840 |
±40 |
2905 |
2810 |
30-M35 |
2960 |
2850 |
30-M52 |
- |
- |
- |
|
2800 |
2820 |
2826 |
3115 |
3020 |
32-M45 |
3180 |
3070 |
32-M52 |
- |
- |
- |
||||
|
3000 |
3020 |
3026 |
3315 |
3220 |
34-M45 |
3290 |
3290 |
34-M56 |
- |
- |
- |
||||
|
3200 |
3220 |
3230 |
3525 |
3430 |
36-M45 |
_ |
_ |
- |
- |
- |
- |
||||





