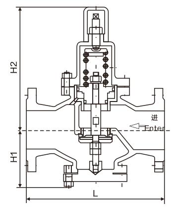
结构特点
Y42X减压阀主要由调节弹簧、膜片、活塞、阀座、阀瓣等零件组成。利用膜片直接传感下游压力驱动阀瓣,控制阀瓣开度完成减压稳压功能。本产品在城市建筑、高层建筑的冷热供水系统中,可取代常规分区水管,节省设备。也可在通常的冷热水管网中,起减压稳压作用。本产品调压、稳压动作平稳,适用于水和非腐蚀性液体介质的管路。
执行标准
法兰标准:GB/T17241.6 GB/T 9113
试验标准:GB/T13927 API 598
性能参数
公称通径:DN20~400mm
公称压力:PN1.6~6.4MPa
适用温度:0~ 90℃
适用介质:空气或腐蚀性液体
主要材质:铸铁、球铁、碳钢
|
DN |
L |
H1 |
H2 |
|||||||||
|
PN16、25 |
PN40 |
PN64 |
PN16 |
PN25 |
PN40 |
PN64 |
PN64 |
PN16 |
PN25 |
PN40 |
PN64 |
|
|
20 |
160 |
160 |
170 |
90 |
90 |
90 |
90 |
90 |
220 |
220 |
220 |
220 |
|
25 |
180 |
200 |
200 |
95 |
95 |
100 |
105 |
105 |
255 |
255 |
265 |
265 |
|
32 |
200 |
220 |
220 |
100 |
100 |
100 |
110 |
110 |
255 |
255 |
265 |
265 |
|
40 |
220 |
240 |
240 |
115 |
115 |
130 |
130 |
130 |
325 |
325 |
330 |
330 |
|
50 |
250 |
270 |
270 |
120 |
120 |
135 |
135 |
135 |
325 |
325 |
330 |
330 |
|
65 |
260 |
280 |
300 |
125 |
125 |
130 |
145 |
145 |
330 |
330 |
340 |
355 |
|
80 |
310 |
330 |
330 |
135 |
135 |
150 |
160 |
160 |
340 |
340 |
340 |
360 |
|
100 |
350 |
380 |
380 |
108 |
108 |
185 |
185 |
185 |
317 |
317 |
360 |
360 |
|
125 |
400 |
450 |
450 |
190 |
200 |
200 |
245 |
245 |
560 |
560 |
565 |
565 |
|
150 |
450 |
500 |
500 |
205 |
210 |
240 |
280 |
280 |
580 |
580 |
585 |
585 |
|
200 |
500 |
560 |
560 |
220 |
245 |
245 |
310 |
310 |
630 |
630 |
635 |
635 |
|
250 |
600 |
- |
- |
270 |
- |
- |
- |
- |
750 |
- |
- |
- |
|
300 |
800 |
- |
- |
310 |
- |
- |
- |
- |
780 |
- |
- |
- |
|
350 |
850 |
- |
- |
390 |
- |
- |
- |
- |
850 |
- |
- |
- |
|
400 |
900 |
- |
- |
420 |
- |
- |
- |
- |
925 |
- |
- |
- |





