结构特点
1、在阀门中柱塞与密封环间采用过盈配合,通过调节中法兰螺栓预紧力,使密封环压缩所产生的侧向力与阀体中孔面及柱塞外圆密封 ,从而保证了阀门的密封性,杜绝了外泄漏;
2、由于密封环采用回弹性强、耐磨性高的无毒新型密封材料,所以密封可靠,经久耐用,从而提高阀门的使用寿命;
3、本阀门结合柱塞阀的无泄漏优点和截止阀启闭快的特点,成为一种结构新颖,用途广泛的新品种。
执行标准
设计与制造:GB/T12233、GB/T12235
法兰连接:GB/T79、GB/T9113
试验与检验:GB/T4981
结构长度:GB/T1222
性能参数
公称通径:DN15~200mm
公称压力:PN1.6~10.0MPa
适用温度:≤425℃ ≤200℃
主要材质:铸钢、不锈钢、含钼不锈钢
适用介质:水、油品、蒸汽、硝酸类 醋酸类
|
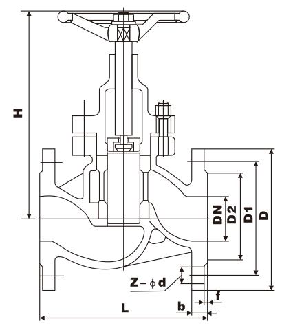
公称压力
|
DN(mm) |
L |
H |
D |
Di |
D2 |
b |
f |
Z-Φd |
WT(kg) |
|
1.6MPa
UJ41SM-16C UJ41SM-16R |
15 |
130 |
128 |
95 |
65 |
45 |
14 |
2 |
4-14 |
3 |
|
20 |
150 |
165 |
105 |
75 |
55 |
14 |
2 |
4-14 |
5 |
|
|
25 |
160 |
190 |
115 |
85 |
65 |
14 |
2 |
4-14 |
7 |
|
|
32 |
180 |
216 |
135 |
100 |
78 |
16 |
2 |
4-18 |
8 |
|
|
40 |
200 |
236 |
145 |
110 |
85 |
16 |
3 |
4-18 |
12 |
|
|
50 |
230 |
250 |
160 |
125 |
100 |
16 |
3 |
4-18 |
16 |
|
|
65 |
290 |
255 |
180 |
145 |
120 |
18 |
3 |
4-18 |
22 |
|
|
80 |
310 |
255 |
195 |
160 |
135 |
20 |
3 |
8-18 |
27 |
|
|
100 |
350 |
259 |
215 |
180 |
155 |
20 |
3 |
8-18 |
40 |
|
|
125 |
400 |
352 |
245 |
210 |
185 |
22 |
3 |
8-18 |
72 |
|
|
150 |
480 |
362 |
280 |
240 |
210 |
24 |
3 |
8-23 |
97 |
|
|
200 |
600 |
385 |
335 |
295 |
265 |
26 |
3 |
12-23 |
205 |
|
|
2.5-4.0MPa
UJ41SM-25\40R |
15 |
130 |
133 |
95 |
65 |
45 |
16 |
2 |
4-14 |
4 |
|
20 |
150 |
178 |
105 |
75 |
55 |
16 |
2 |
4-14 |
6 |
|
|
25 |
160 |
180 |
115 |
85 |
65 |
16 |
2 |
4-14 |
7 |
|
|
32 |
180 |
195 |
135 |
100 |
78 |
18 |
2 |
4-18 |
10 |
|
|
40 |
200 |
220 |
145 |
110 |
85 |
18 |
3 |
4-18 |
13 |
|
|
65 |
290 |
272 |
180 |
145 |
120 |
22 |
3 |
8-18 |
24 |
|
|
80 |
310 |
275 |
195 |
160 |
135 |
22 |
3 |
8-18 |
33 |
|
|
100 |
350 |
312 |
230 |
190 |
160 |
24 |
3 |
8-23 |
49 |
|
|
125 |
400 |
365 |
270 |
220 |
188 |
28 |
3 |
8-25 |
87 |
|
|
150 |
480 |
410 |
300 |
250 |
218 |
30 |
3 |
8-25 |
115 |
|
|
200 |
600 |
450 |
360/375 |
310/320 |
278/282 |
34/38 |
3 |
12-25/30 |
210 |
|
|
6.4MPa
UJ41SM-64P |
15 |
170 |
145 |
105 |
75 |
55 |
18 |
2 |
4-14 |
5 |
|
20 |
190 |
195 |
125 |
90 |
68 |
20 |
2 |
4-18 |
7 |
|
|
25 |
210 |
202 |
135 |
100 |
78 |
22 |
2 |
4-18 |
8 |
|
|
32 |
230 |
226 |
150 |
110 |
82 |
24 |
2 |
4-23 |
12 |
|
|
40 |
260 |
239 |
165 |
125 |
95 |
24 |
3 |
4-23 |
15 |
|
|
50 |
300 |
265 |
175 |
135 |
105 |
26 |
3 |
4-23 |
19 |
|
|
65 |
340 |
287 |
200 |
160 |
130 |
28 |
3 |
8-23 |
26 |
|
|
80 |
380 |
301 |
210 |
170 |
140 |
30 |
3 |
8-23 |
37 |
|
|
100 |
430 |
346 |
250 |
200 |
168 |
32 |
3 |
8-25 |
55 |





