结构特点
1、产品结构合理、密封可靠、性能优良、造型美观。
2、密封面堆焊Co基硬质合金,耐磨、耐蚀、抗擦伤性能好、使用寿命长。
3、阀杆经调质及表面氮化处理,有良好的抗腐性及抗擦伤性。
4、阀门设有倒密封结构,密封可靠。
5、零件材质及法兰尺寸可根据实际工况或用户要求合理选配,满足各种工程需要。
执行标准
设计规范:GB/T 1223
结构长度:GB/T 12221
连接法兰:JB/T 79.1、GB/T9113、HG/T20592
试验与检验:JB/T 9092、GB/T13927
压力-温度:GB/T12224
性能参数
公称通径:DN15~50mm
公称压力:PN2.5~32.0MPa
适用温度:C、P、R I ≤450℃ ≤560℃ ≤540℃
主要材质:25.WCB、铬镍调、铬镍钼钢、铬钼钢
适用介质:水、油品、蒸汽、硝酸类 醋酸类
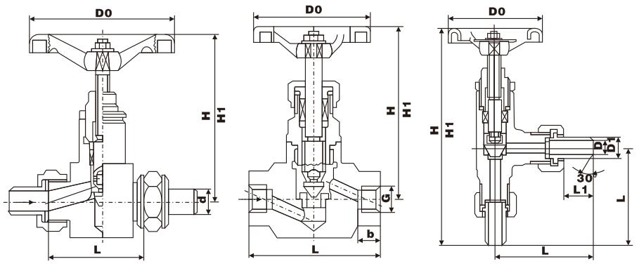
|
型号 |
DN |
G(in) |
L |
b |
H1 |
H2 |
Do |
|
J13H-25 J13H-40 J13W-25P J13W-40P |
15 |
1/2 |
90 |
18 |
190 |
201 |
65 |
|
20 |
3/4 |
110 |
22 |
214 |
227 |
65 |
|
|
25 |
1 |
130 |
26 |
235 |
250 |
80 |
|
|
32 |
5/4 |
160 |
27 |
267 |
283 |
100 |
|
|
40 |
3/2 |
190 |
30 |
305 |
327 |
120 |
|
|
50 |
2 |
220 |
35 |
328 |
353 |
140 |
|
|
J13H40 J13H-160 J13W-320 J13W-40P J13W-160P J13W-320P |
15 |
1/2 |
90 |
18 |
190 |
201 |
65 |
|
20 |
3/4 |
110 |
22 |
214 |
227 |
65 |
|
|
25 |
1 |
130 |
26 |
235 |
250 |
80 |
|
|
32 |
5/4 |
160 |
27 |
267 |
283 |
100 |
|
|
40 |
3/2 |
190 |
30 |
305 |
327 |
120 |
|
|
50 |
2 |
220 |
35 |
328 |
353 |
140 |
|
型号 |
DN |
D |
D1 |
L |
L1 |
H1 |
H2 |
Do |
|
J24N-25 |
6 |
9 |
14 |
71 |
20 |
152 |
158 |
65 |
|
10 |
12 |
18 |
71 |
22 |
172 |
180 |
80 |
|
|
15 |
16 |
22 |
93 |
26 |
285 |
292 |
120 |
|
|
20 |
22 |
28 |
107 |
31 |
335 |
345 |
140 |
|
|
25 |
27 |
34 |
118 |
32 |
355 |
368 |
140 |





