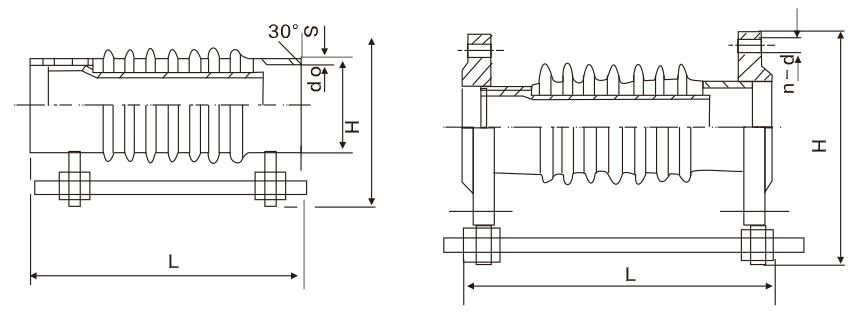
结构特点
为了减少管道的热应力,一般在管道之间安设补偿器,或者利用管道本身的弯曲以自动补偿。在管道的配置中,应优先考虑利用管道弯曲的自然补偿作用,这种利用管道自身长度变化的自行补偿是**好的办法,当自然补偿不能满足要求时,可设置补偿器。
执行标准
波纹补偿器标准编号:GB/T12777-1999
性能参数
主要材质:不锈钢、碳钢
公称通径:DN80~600mm
公称压力:PN1.0MPa
适用温度:<80℃
适用介质:煤气、水、油品、蒸汽等
|
DN |
产品型号 |
计算疲劳破坏次数下轴向补偿器X0mm |
补偿器 |
刚度 |
有效面积Ac㎡ |
径向**大外形尺寸Hmm |
接管端口尺寸 |
L |
WT(kg) |
|||||||
|
横向Yo mm |
角向Yθ 度 |
轴向 Kx N/mm |
横向Yy N/mm |
角向Yθ NxM/度 |
||||||||||||
|
1500 |
1300 |
1500 |
法兰连接 |
法兰 |
按管 |
法兰 |
按管 |
|||||||||
|
80 |
1/0YSTA80 x 8J/F |
30 |
25 |
18 |
6.4 |
±6.4 |
358 |
418 |
8.4 |
81 |
284 |
Φ890x4 |
244 |
344 |
10 |
3 |
|
1.0STA80x10J/F |
37 |
32 |
22 |
10 |
±8 |
286 |
214 |
6.7 |
274 |
374 |
10 |
3 |
||||
|
100 |
1.0YSTA100x6J/F |
33 |
28 |
20 |
3.6 |
±3.6 |
417 |
1471 |
14 |
121 |
304 |
Φ108x4 |
223 |
323 |
11 |
3 |
|
1.0YSTA100x10J/F |
56 |
47 |
33 |
10 |
±8 |
250 |
318 |
8.5 |
287 |
387 |
13 |
5 |
||||
|
125 |
1.0YSTA125x5J/F |
36 |
32 |
21 |
2.5 |
±4.4 |
408 |
2885 |
21 |
180 |
334 |
Φ133x4 |
216 |
318 |
13 |
4 |
|
1.0YSTA125x8J/F |
65 |
58 |
38 |
8 |
±8 |
227 |
495 |
12 |
288 |
388 |
14 |
5 |
||||
|
150 |
1.0YSTA150x5J/F |
48 |
41 |
27 |
2.5 |
±5 |
300 |
2889 |
20 |
257 |
364 |
Φ159x4.5 |
238 |
338 |
17 |
7 |
|
1.0YSTA150x8J/F |
77 |
65 |
43 |
6.4 |
±8 |
188 |
705 |
23 |
298 |
398 |
18 |
8 |
||||
|
200 |
1.0YSTA200x4J/F |
56 |
47 |
31 |
3.2 |
±5.3 |
288 |
3165 |
39 |
479 |
442 |
Φ219x6 |
244 |
344 |
25 |
17 |
|
1.0YSTA200x6J/F |
84 |
70 |
46 |
7.2 |
±8 |
192 |
9938 |
26 |
298 |
340 |
27 |
20 |
||||
|
250 |
1.0YSTA25〇x4J/F |
63 |
53 |
36 |
4.8 |
±5.3 |
588 |
4371 |
128 |
769 |
497 |
Φ273x8 |
309 |
409 |
38 |
22 |
|
1.0YSTA250xbJ/F |
95 |
80 |
53 |
10.8 |
±8 |
392 |
1295 |
85 |
387 |
487 |
43 |
27 |
||||
|
300 |
1.0YSTA300x4J/F |
65 |
54 |
37 |
6.4 |
±5.3 |
830 |
4444 |
249 |
1105 |
547 |
Φ325x8 |
358 |
458 |
49 |
32 |
|
1.0YSTA300x6J/F |
97 |
82 |
55 |
14 |
±5.8 |
553 |
1371 |
166 |
456 |
556 |
56 |
39 |
||||
|
350 |
1.0YSTA350x4J/F |
72 |
60 |
40 |
6 |
±8 |
840 |
4289 |
309 |
1307 |
607 |
Φ377x10 |
499 |
487 |
73 |
40 |
|
1.0VSTA350X6J/F |
107 |
90 |
51 |
14 |
±8 |
560 |
1431 |
206 |
387 |
599 |
82 |
55 |
||||
|
400 |
1.0YSTA400 x 4J/F |
74 |
62 |
42 |
6 |
±5.3 |
918 |
6199 |
420 |
1611 |
685 |
Φ426x4 |
400 |
500 |
91 |
54 |
|
1.0YSTA400x6J/F |
112 |
93 |
63 |
14 |
±7.8 |
612 |
1837 |
280 |
510 |
610 |
107 |
65 |
||||
|
450 |
1.0YSTA450 x 4J/F |
82 |
69 |
46 |
4.8 |
±5.2 |
690 |
8210 |
379 |
1972 |
735 |
Φ478x10 |
389 |
489 |
111 |
68 |
|
1.0YSTA450x6J/F |
124 |
103 |
68 |
10.8 |
±7.8 |
450 |
2433 |
253 |
489 |
589 |
121 |
78 |
||||
|
500 |
1.0YSTA500x4J/F |
84 |
70 |
47 |
4.8 |
±4.6 |
728 |
9861 |
515 |
2445 |
790 |
Φ529x10 |
415 |
517 |
126 |
82 |
|
1.0YSTA500x6J/F |
126 |
105 |
70 |
10.8 |
±6.9 |
485 |
2922 |
343 |
515 |
615 |
138 |
93 |
||||
|
600 |
1.0YSTA600x4J/F |
86 |
72 |
48 |
4.8 |
±4 |
1468 |
20515 |
1477 |
3534 |
920 |
Φ630x10 |
458 |
558 |
167 |
127 |
|
1.0YSTA6C0x6J/F |
129 |
108 |
72 |
10.8 |
±6 |
978 |
60786 |
985 |
648 |
758 |
181 |
141 |
||||





