结构特点
1、超短结构长度,节省材料,可使管路系统整体重量大大减轻;
2、占用有效空间小,能有效支持管道的强度,可减少管道振动的可能性;
3、闸板选用奥氏体不锈钢,耐腐性能大大提高,可有效的防止由于闸板腐蚀引起的密封泄漏;
4、上密封填料采用柔性 PTFE ,密封可靠、操作轻便灵活;
5、闸板具有闸刀的功能,能有效的闸断介质中各类杂物;
6、采用硬密封不锈钢材质,阀瓣喷焊处理,可以扩展阀门对温度、压力的要求。
执行标准
设计规范:JB/T8691-1998
结构长度:GB/T12221-2005
法兰连接:GB/T9113.1 -2000 JB/T79-94
试验与检验:GB/T13927-92
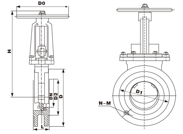
性能参数
公称通径:DN50~600mm
压力范围:PN1.0MPa
工作温度:橡胶≤80℃四氟密封≤180℃硬密封≤425℃
主体材质:碳钢、不锈钢
适用介质:糖浆、纸浆、污水、煤浆、会、渣水混合物
|
PN(MPa) |
DN(mm) |
L |
D |
D1
|
D2
|
H
|
N-M
|
DO |
|
PZ73X-6/10/16 PZ73F-6/10/16 PZ73H-6/10/16 PZ73Y-6/10/16
|
||||||||
|
1.0 |
50 |
50 |
160 |
125 |
100 |
285 |
4-M16 |
180 |
|
65 |
50 |
180 |
145 |
120 |
298 |
4-M16 |
180 |
|
|
80 |
50 |
195 |
160 |
135 |
315 |
4-M16 |
220 |
|
|
100 |
50 |
215 |
180 |
155 |
365 |
8-M16 |
220 |
|
|
125 |
50 |
245 |
210 |
185 |
400 |
8-M16 |
230 |
|
|
150 |
70 |
280 |
240 |
210 |
470 |
8-M20 |
280 |
|
|
200 |
70 |
335 |
295 |
265 |
540 |
8-M20 . |
360 |
|
|
250 |
70 |
390 |
350 |
320 |
630 |
12-M20 |
360 |
|
|
300 |
80 |
440 |
400 |
368 |
780 |
12_M20 |
400 |
|
|
350 |
90 |
500 |
460 |
428 |
885 |
16_M20
|
400 |
|
|
400 |
100 |
565 |
515 |
482 |
990 |
16_M22
|
400 |
|
|
450 |
120 |
615 |
565 |
532 |
1100 |
20-M22 |
530 |
|
|
500 |
120 |
670 |
620 |
585 |
1200 |
20-M22 |
530 |
|
|
600 |
120 |
780 |
725 |
685 |
1450 |
20-M27 |
600 |
|
|
700 |
130 |
895 |
840 |
800 |
1700 |
24-M27 |
600 |
|
|
800 |
130 |
1010 |
950 |
905 |
2000 |
24-M30 |
680 |
|
|
900 |
140 |
1110 |
1050 |
1005 |
2300 |
28-M30 |
680 |
|





