结构特点
1、超短结构长度,节省材料,可使管路系统整体重量大大减轻;
2、占用有效空间小,能有效支持管道的强度,可减少管道振动的可能性;
3、闸板选用奥氏体不锈钢,耐腐性能大大提高,可有效的防止由于闸板腐蚀引起的密封泄漏;
4、上密封填料采用柔性 PTFE ,密封可靠、操作轻便灵活;
5、闸板具有闸刀的功能,能有效的闸断介质中各类杂物;
6、采用硬密封不锈钢材质,阀瓣喷焊处理,可以扩展阀门对温度、压力的要求。
执行标准
设计规范:JB/T869
结构长度:GB/T12221-2005
法兰连接:GB/T9113.1、JB/T79、HG/T20592
试验与检验:JB/T9092、GB/T13927
性能参数
公称通径:DN50~900mm
压力范围:PN0.6~1.0MPa
工作温度:≤900℃
主体材质:碳钢、不锈钢等
适用介质:纸浆、污水、煤浆、灰、渣水混合物
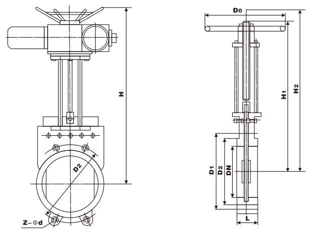
|
DN(mm) |
L |
D1 |
D2 |
Z-Φd |
H |
H1 |
Do |
WT(kg |
|
Z73X-2.5C Z73X-6C Z73X-10C Z573X-2.5C Z573X-6C Z573X-10C Z673X-2.5C Z673X-6C Z673X-10C Z973X-2.5C Z973X-6C Z973X-10C |
||||||||
|
|
40 |
125 |
100 |
4-M16 |
337 |
268 |
180 |
80 |
|
65 |
40 |
145 |
120 |
4-M16 |
357 |
291 |
180 |
90 |
|
80 |
50 |
160 |
135 |
8-M16 |
400 |
316 |
180 |
112 |
|
100 |
50 |
180 |
155 |
8-M16 |
466 |
364 |
200 |
140 |
|
150 |
60 |
270 |
210 |
8-M20 |
633 |
478 |
240 |
195 |
|
200 |
60 |
295 |
265 |
8-M20 |
744 |
543 |
280 |
260 |
|
250 |
70 |
350 |
313 |
12-M20 |
940 |
687 |
360 |
370 |
|
300 |
70 |
400 |
368 |
12-M20 |
1087 |
783 |
360 |
455 |
|
350 |
80 |
460 |
430 |
16-M20 |
1238 |
885 |
400 |
640 |
|
400 |
80 |
515 |
482 |
16-M24 |
1394 |
994 |
400 |
960 |
|
450 |
90 |
565 |
532 |
20-M24 |
1550 |
1100 |
400 |
1280 |
|
500 |
90 |
620 |
585 |
20-M24 |
1700 |
1200 |
400 |
1710 |
|
600 |
100 |
725 |
685 |
20-M27 |
2080 |
1480 |
400 |
1895 |
|
700 |
100 |
840 |
800 |
24-M27 |
1720 |
2470 |
800 |
2100 |
|
800 |
120 |
950 |
905 |
24-M30 |
2000 |
2900 |
800 |
2410 |
|
900 |
150 |
1050 |
1005 |
28-M30 |
2130 |
3100 |
800 |
2660 |
|
Z73X-16C Z573X-16C Z673X-16C Z973X-16C |
||||||||
|
|
60 |
295 |
180 |
12-M20 |
754 |
552 |
240 |
265 |
|
250 |
|
355 |
230 |
12-M24 |
945 |
692 |
240 |
376 |
|
300 |
78 |
410 |
280 |
12-M24 |
1010 |
788 |
370 |
455 |
|
350 |
78 |
470 |
330 |
16-M24 |
1245 |
890 |
370 |
648 |
|
400 |
102 |
525 |
380 |
16-M24 |
1685 |
1000 |
400 |
970 |
|
450 |
114 |
585 |
430 |
20-M27 |
1835 |
1110 |
400 |
1300 |
|
500 |
127 |
650 |
480 |
20-M30 |
1926 |
1230 |
400 |
1760 |
|
600 |
154 |
770 |
700 |
20-M36 |
2360 |
1500 |
800 |
1980 |





