结构特点
采用的是三维偏心原理设计,使密封面的空间运动轨迹达到理想化,密封面相互之间无摩擦、无干涉、加之密封材料的优化配置,从而使蝶阀的密封性、耐腐蚀性、耐高温性和耐磨性等得到了可靠的保证。
其主要特点如下:
1、开启力矩小,灵活方便,省力节能。
2、三维编心结构,使蝶板越关越紧,其密封性能可靠,达到无泄漏。3、耐高压、耐腐蚀、耐磨损、使用寿命长等。
执行标准
设计与制造:GB/T12238、JB/T8527
法兰连接:GB/T9113、JB/T79、HG20592
结构长度:GB/T1222
试验与检验:GB/T13927 JB/T9092
性能参数
公称通径:DN50~150mm
公称压力:PN0.6~2.5MPa
适用温度:碳钢:-29℃~425℃,不锈钢:-40℃~600℃
适用介质:水、蒸汽、油品、酸类腐蚀性等
主要材质:铸钢、不锈钢、铬钼钢、合金钢、双相钢
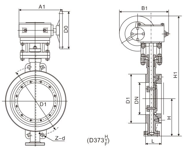
产品尺寸
| DN |
结构长度 L |
外形尺寸(参考值) | 法兰尺寸(标准值) | D373H WT(Kg) | ||||||||||||||||||||||||||||||||
| H | D373H | D673H | D973H | PN0.6MPa | PN1.0MPa | |||||||||||||||||||||||||||||||
| 毫米 |
英寸 |
短 | 长 | H1 | A1 | B1 | H2 | A2 | B2 | H3 | A3 | B3 | D1 | Z-d | D1 | Z-d | ||||||||||||||||||||
| 40 | 1 1/2 | 43 | 43 | 107 | 330 | 180 | 200 | 625 | 245 | 72 | 530 | 250 | 255 | 100 | 4-14 | 110 | 4-18 | 10 | ||||||||||||||||||
| 50 | 2 | 43 | 43 | 112 | 350 | 180 | 200 | 625 | 245 | 72 | 530 | 250 | 255 | 110 | 4-14 | 125 | 4-18 | 12 | ||||||||||||||||||
| 65 | 2 1/2 | 46 | 46 | 115 | 370 | 180 | 200 | 625 | 245 | 72 | 530 | 250 | 255 | 130 | 4-14 | 145 | 4-18 | 13 | ||||||||||||||||||
| 80 | 3 | 49 | 64 | 125 | 380 | 180 | 200 | 645 | 245 | 72 | 565 | 250 | 255 | 150 | 4-18 | 160 | 8-18 | 15 | ||||||||||||||||||
| 100 | 4 | 56 | 64 | 138 | 420 | 180 | 200 | 675 | 355 | 92 | 600 | 250 | 255 | 170 | 4-18 | 180 | 8-18 | 17 | ||||||||||||||||||
| 125 | 5 | 64 | 70 | 164 | 460 | 180 | 200 | 715 | 355 | 92 | 640 | 250 | 255 | 200 | 8-18 | 210 | 8-18 | 27 | ||||||||||||||||||
| 150 | 6 | 70 | 76 | 175 | 555 | 270 | 280 | 800 | 355 | 92 | 704 | 300 | 315 | 225 | 8-18 | 240 | 8-22 | 29 | ||||||||||||||||||
| 200 | 8 | 71 | 89 | 215 | 780 | 400 | 425 | 850 | 250 | 170 | 775 | 300 | 315 | 280 | 8-18 | 295 | 8-22 | 45 | ||||||||||||||||||
| 250 | 10 | 76 | 114 | 243 | 840 | 400 | 425 | 925 | 250 | 170 | 945 | 300 | 315 | 335 | 12-18 | 350 | 12-22 | 69 | ||||||||||||||||||
| 300 | 12 | 83 | 114 | 285 | 995 | 450 | 560 | 1035 | 450 | 220 | 1070 | 300 | 315 | 395 | 12-22 | 400 | 12-22 | 86 | ||||||||||||||||||
| 350 | 14 | 92 | 127 | 320 | 1050 | 450 | 560 | 1070 | 450 | 220 | 1140 | 300 | 315 | 445 | 12-22 | 460 | 16-22 | 122 | ||||||||||||||||||
| 400 | 16 | 102 | 140 | 350 | 1220 | 535 | 580 | 1190 | 450 | 220 | 1210 | 300 | 315 | 495 | 16-22 | 515 | 16-26 | 141 | ||||||||||||||||||
| 450 | 18 | 114 | 152 | 350 | 1280 | 535 | 580 | 1250 | 650 | 280 | 1335 | 575 | 714 | 550 | 16-22 | 565 | 20-26 | 191 | ||||||||||||||||||
| 500 | 20 | 127 | 152 | 380 | 1365 | 535 | 580 | 1290 | 650 | 280 | 1415 | 575 | 714 | 600 | 20-22 | 620 | 20-26 | 260 | ||||||||||||||||||
| 600 | 24 | 154 | 178 | 435 | 1460 | 570 | 660 | 1455 | 850 | 380 | 1605 | 656 | 810 | 705 | 20-26 | 725 | 20-30 | 380 | ||||||||||||||||||
| 700 | 28 | 165 | 229 | 480 | 1520 | 750 | 550 | 1585 | 850 | 380 | 1844 | 656 | 810 | 810 | 24-26 | 840 | 24-30 | 450 | ||||||||||||||||||
| 800 | 32 | 190 | 241 | 530 | 1710 | 750 | 550 | 1700 | 1250 | 380 | 2040 | 656 | 810 | 920 | 24-30 | 950 | 24-33 | 650 | ||||||||||||||||||
| 900 | 36 | 203 | 241 | 595 | 1810 | 750 | 550 | 1965 | 1250 | 380 | 2255 | 785 | 863 | 1020 | 24-30 | 1050 | 28-33 | 830 | ||||||||||||||||||
| 1000 | 40 | 216 | 300 | 650 | 1900 | 900 | 750 | 2015 | 1250 | 380 | 2380 | 785 | 863 | 1120 | 28-30 | 1160 | 28-36 | 1050 | ||||||||||||||||||
| 1200 | 48 | 254 | 360 | 775 | 1180 | 1000 | 925 | 2250 | 1250 | 380 | 2640 | 785 | 863 | 1340 | 32-33 | 1380 | 32-39 | 1400 | ||||||||||||||||||
| 1400 | 56 | 279 | 390 | 870 | 1450 | 1000 | 925 | - | - | - | 2886 | - | - | 1560 | 36-36 | 1590 | 36-42 | 1900 | ||||||||||||||||||
| 1600 | 64 | 318 | 440 | 1000 | 1730 | 1000 | 925 | - | - | - | 3156 | - | - | 1760 | 40-36 | 1820 | 40-48 | 2900 | ||||||||||||||||||
| 1800 | 72 | 356 | 490 | 1110 | 3020 | 1100 | 980 | - | - | - | 3421 | - | - | 1970 | 44-39 | 2020 | 44-48 | 4000 | ||||||||||||||||||
| 2000 | 80 | 406 | 540 | 1250 | 3270 | 1100 | 980 | - | - | - | 3685 | - | - | 2180 | 48-42 | 2230 | 48-48 | 5300 | ||||||||||||||||||
| DN |
结构长度 L |
外形尺寸(参考值) | 法兰尺寸(标准值) | D373H WT(Kg) | ||||||||||||||||||||||||||||||||
| H | D373H | D673H | D973H | PN1.6MPa | PN2.5MPa | |||||||||||||||||||||||||||||||
| 毫米 |
英寸 |
短 | 长 | H1 | A1 | B1 | H2 | A2 | B2 | H3 | A3 | B3 | D1 | Z-d | D1 | Z-d | ||||||||||||||||||||
| 40 | 1 1/2 | 43 | 43 | 107 | 330 | 180 | 200 | 625 | 245 | 72 | 530 | 250 | 255 | 110 | 4-18 | 110 | 4-18 | 10 | ||||||||||||||||||
| 50 | 2 | 43 | 43 | 112 | 350 | 180 | 200 | 625 | 245 | 72 | 530 | 250 | 255 | 125 | 4-18 | 125 | 4-18 | 12 | ||||||||||||||||||
| 65 | 2 1/2 | 46 | 46 | 115 | 370 | 180 | 200 | 625 | 245 | 72 | 530 | 250 | 255 | 145 | 4-18 | 145 | 8-18 | 13 | ||||||||||||||||||
| 80 | 3 | 49 | 64 | 125 | 380 | 180 | 200 | 645 | 245 | 72 | 565 | 250 | 255 | 160 | 8-18 | 160 | 8-18 | 15 | ||||||||||||||||||
| 100 | 4 | 56 | 64 | 138 | 420 | 180 | 200 | 675 | 355 | 92 | 600 | 250 | 255 | 180 | 8-18 | 190 | 8-22 | 17 | ||||||||||||||||||
| 125 | 5 | 64 | 70 | 164 | 460 | 180 | 200 | 715 | 355 | 92 | 640 | 250 | 255 | 210 | 8-18 | 220 | 8-26 | 27 | ||||||||||||||||||
| 150 | 6 | 70 | 76 | 175 | 555 | 270 | 280 | 800 | 355 | 92 | 704 | 300 | 315 | 240 | 8-22 | 250 | 8-26 | 29 | ||||||||||||||||||
| 200 | 8 | 71 | 89 | 215 | 780 | 400 | 425 | 850 | 250 | 170 | 775 | 300 | 315 | 295 | 12-22 | 310 | 12-26 | 45 | ||||||||||||||||||
| 250 | 10 | 76 | 114 | 243 | 840 | 400 | 425 | 925 | 250 | 170 | 945 | 300 | 315 | 355 | 12-26 | 370 | 12-30 | 69 | ||||||||||||||||||
| 300 | 12 | 83 | 114 | 285 | 995 | 450 | 560 | 1035 | 450 | 220 | 1070 | 300 | 315 | 410 | 12-26 | 430 | 16-30 | 86 | ||||||||||||||||||
| 350 | 14 | 92 | 127 | 320 | 1050 | 450 | 560 | 1070 | 450 | 220 | 1140 | 300 | 315 | 470 | 16-26 | 490 | 16-33 | 122 | ||||||||||||||||||
| 400 | 16 | 102 | 140 | 350 | 1220 | 535 | 580 | 1190 | 450 | 220 | 1210 | 300 | 315 | 525 | 16-30 | 550 | 16-36 | 141 | ||||||||||||||||||
| 450 | 18 | 114 | 152 | 350 | 1280 | 535 | 580 | 1250 | 650 | 280 | 1335 | 575 | 714 | 585 | 20-30 | 600 | 20-36 | 191 | ||||||||||||||||||
| 500 | 20 | 127 | 152 | 380 | 1365 | 535 | 580 | 1290 | 650 | 280 | 1415 | 575 | 714 | 650 | 20-33 | 660 | 20-36 | 260 | ||||||||||||||||||
| 600 | 24 | 154 | 178 | 435 | 1460 | 570 | 660 | 1455 | 850 | 380 | 1605 | 656 | 810 | 770 | 20-36 | 770 | 20-39 | 380 | ||||||||||||||||||
| 700 | 28 | 165 | 229 | 480 | 1520 | 750 | 550 | 1585 | 850 | 380 | 1844 | 656 | 810 | 840 | 24-36 | 875 | 24-42 | 450 | ||||||||||||||||||
| 800 | 32 | 190 | 241 | 530 | 1710 | 750 | 550 | 1700 | 1250 | 380 | 2040 | 656 | 810 | 950 | 24-39 | 990 | 24-48 | 650 | ||||||||||||||||||
| 900 | 36 | 203 | 241 | 595 | 1810 | 750 | 550 | 1965 | 1250 | 380 | 2255 | 785 | 863 | 1050 | 28-39 | 1090 | 28-48 | 830 | ||||||||||||||||||
| 1000 | 40 | 216 | 300 | 650 | 1900 | 900 | 750 | 2015 | 1250 | 380 | 2380 | 785 | 863 | 1170 | 28-42 | 1210 | 28-56 | 1050 | ||||||||||||||||||
| 1200 | 48 | 254 | 360 | 775 | 1180 | 1000 | 925 | 2250 | 1250 | 380 | 2640 | 785 | 863 | 1390 | 32-48 | 1420 | 32-56 | 1400 | ||||||||||||||||||
| 1400 | 56 | 279 | 390 | 870 | 1450 | 1000 | 925 | - | - | - | 2886 | - | - | 1590 | 36-48 | 1640 | 36-62 | 1900 | ||||||||||||||||||
| 1600 | 64 | 318 | 440 | 1000 | 1730 | 1000 | 925 | - | - | - | 3156 | - | - | 1820 | 40-56 | 1860 | 40-62 | 2900 | ||||||||||||||||||
| 1800 | 72 | 356 | 490 | 1110 | 3020 | 1100 | 980 | - | - | - | 3421 | - | - | 2020 | 44-56 | 2070 | 44-70 | 4000 | ||||||||||||||||||
| 2000 | 80 | 406 | 540 | 1250 | 3270 | 1100 | 980 | - | - | - | 3685 | - | - | 2230 | 48-62 | 2300 | 48-70 | 5300 | ||||||||||||||||||
| DN |
结构长度 (标准值) |
外形尺寸(参考值) |
法兰尺寸(标准值) |
|||||||||||||||
| H | D373H | D673H | D973H | PN4.0MPa | ||||||||||||||
| 毫米 |
英寸 |
L | H1 | A1 | B1 | H2 | A2 | B2 | H3 | A3 | B3 | D1 | Z-d | |||||
| 50 | 2 | 43 | 112 | 350 | 180 | 200 | 625 | 250 | 170 | 530 | 250 | 255 | 125 | 4-18 | ||||
| 65 | 2 1/2 | 46 | 115 | 370 | 270 | 280 | 625 | 250 | 170 | 530 | 250 | 255 | 145 | 8-18 | ||||
| 80 | 3 | 64 | 120 | 380 | 270 | 280 | 645 | 250 | 170 | 565 | 250 | 255 | 160 | 8-18 | ||||
| 100 | 4 | 64 | 138 | 420 | 270 | 280 | 675 | 250 | 170 | 600 | 250 | 255 | 190 | 8-22 | ||||
| 125 | 5 | 70 | 164 | 460 | 380 | 420 | 715 | 450 | 220 | 640 | 250 | 255 | 220 | 8-26 | ||||
| 150 | 6 | 76 | 175 | 555 | 380 | 420 | 800 | 450 | 220 | 705 | 300 | 315 | 250 | 8-26 | ||||
| 200 | 8 | 89 | 208 | 780 | 400 | 425 | 850 | 450 | 220 | 775 | 300 | 315 | 320 | 12-30 | ||||
| 250 | 10 | 114 | 243 | 840 | 400 | 425 | 925 | 450 | 280 | 945 | 300 | 315 | 385 | 12-33 | ||||
| 300 | 12 | 114 | 285 | 995 | 450 | 560 | 1035 | 650 | 280 | 1070 | 300 | 315 | 450 | 16-33 | ||||
| 350 | 14 | 127 | 320 | 1050 | 450 | 560 | 1070 | 650 | 280 | 1140 | 300 | 315 | 510 | 16-36 | ||||
| 400 | 16 | 140 | 350 | 1220 | 535 | 580 | 1190 | 650 | 280 | 1210 | 300 | 315 | 585 | 16-39 | ||||
| 450 | 18 | 152 | 350 | 1280 | 535 | 580 | - | - | - | 1335 | 575 | 714 | 610 | 20-39 | ||||
| 500 | 20 | 152 | 380 | 1365 | 535 | 580 | - | - | - | 1415 | 575 | 714 | 670 | 20-42 | ||||





