结构特点
1、流体阻力小,其阻力系数与同长度的管段相等;
2、结构简单、体积小、重量轻;
3、紧密可靠,目前球阀的密封面材料广泛使用塑料,密封性好,在真空系统中也已广泛使用;
4、操作方便,开闭迅速,从全开到全关只要旋转90°,便于远距离的控制;
5、维修方便,球阀结构简单,密封圈一般都是活动的,拆卸更换都比较方便;
6、在全开或全闭时,球体和阀座的密封面与介质隔离,介质通过时,不会引起阀门密封面的侵蚀;
7、适用范围广,通径从小到几毫米,大到几米,从高真空至高压力都可应用。 球旋转90度时,在进、出口处应全部呈现球面,从而截断流动。
执行标准
设计规范:GB/T12237
结构长度:GB/T12221
连接法兰:GB/T9113JB/T79HG/T20592
试验与检验:JB/T9092GB/T13927
压力-温度:GB/T12224
性能参数
公称通径:DN15~250mm
压力范围:PN1.6~2.5MPa
适用温度:-40℃~-196℃
阀体材料:25WCB
适用介质:如乙烯、液氧、液氢等
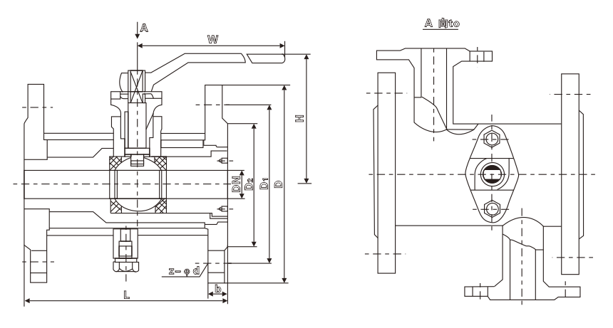
产品尺寸
| DN(mm) | L | D | D1 | D2 | b | Z-φd | H | W | WT(kg) | ||
| 15 | 108 | 95 | 65 | 45 | 16 | 4-φ14 | 95 | 160 | 2.5 | ||
| 20 | 117 | 105 | 75 | 58 | 18 | 4-φ14 | 101 | 160 | 3 | ||
| 25 | 127 | 115 | 85 | 68 | 18 | 4-φ14 | 106 | 160 | 5 | ||
| 32 | 140 | 140 | 100 | 78 | 18 | 4-φ18 | 112 | 230 | 6 | ||
| 40 | 165 | 150 | 110 | 88 | 18 | 4-φ18 | 125 | 230 | 7 | ||
| 50 | 178 | 165 | 125 | 102 | 18 | 4-φ18 | 135 | 230 | 10 | ||
| 65 | 190 | 185 | 145 | 122 | 18 | 8-φ18 | 170 | 400 | 16 | ||
| 80 | 203 | 200 | 160 | 138 | 20 | 8-φ18 | 193 | 400 | 19 | ||
| 100 | 229 | 220 | 180 | 158 | 20 | 8-φ18 | 265 | 700 | 33 | ||
| 125 | 356 | 250 | 210 | 188 | 22 | 8-φ18 | 310 | 700 | 48 | ||
| 150 | 394 | 285 | 240 | 212 | 22 | 8-φ22 | 355 | 1100 | 62 | ||
| 200 | 457 | 340 | 295 | 268 | 24 | 12-φ22 | 410 | 1500 | 93 | ||
| 250 | 533 | 405 | 355 | 320 | 26 | 12-φ26 | 560 | 1500 | 120 | ||
| DN(mm) | L | D | D1 | D2 | b | Z-φd | H | W | WT(kg) | ||
| 15 | 140 | 95 | 65 | 45 | 16 | 4-φ14 | 95 | 160 | 3 | ||
| 20 | 152 | 105 | 75 | 58 | 18 | 4-φ14 | 101 | 160 | 4 | ||
| 25 | 165 | 115 | 85 | 68 | 18 | 4-φ14 | 106 | 160 | 6 | ||
| 32 | 178 | 140 | 100 | 78 | 18 | 4-φ18 | 112 | 230 | 7 | ||
| 40 | 190 | 150 | 110 | 88 | 18 | 4-φ18 | 125 | 230 | 38 | ||
| 50 | 216 | 165 | 125 | 102 | 20 | 4-φ18 | 135 | 230 | 11 | ||
| 65 | 241 | 185 | 145 | 122 | 22 | 8-φ18 | 170 | 400 | 18 | ||
| 80 | 283 | 200 | 160 | 138 | 24 | 8-φ18 | 193 | 400 | 23 | ||
| 100 | 305 | 235 | 190 | 162 | 24 | 8-φ22 | 265 | 700 | 40 | ||
| 125 | 381 | 270 | 220 | 188 | 26 | 8-φ26 | 310 | 700 | 70 | ||
| 150 | 403 | 300 | 250 | 218 | 28 | 8-φ26 | 355 | 1100 | 102 | ||
| 200 | 502 | 360 | 310 | 278 | 30 | 12-φ26 | 410 | 1500 | 150 | ||
| 250 | 568 | 425 | 370 | 335 | 32 | 12-φ30 | 560 | 1500 | 182 | ||





