结构特点
液控缓闭止回蝶阀是目前国内外较先进的管路控制设备,主要安装于水电站水轮机进口,用作水轮机进口阀;或安装于水利、电力、给排水等各类泵站的水泵出口,替代止回阀和闸阀的功能。工作时,阀门与管道主机配合,按照水力过渡过程原理,通过预设的启闭程序,有效消除管路水锤,实现管路的可靠截止,起到保护管路系统安全作用。本公司生产的液控缓闭止回蝶阀流阻系数小、自动化程度高、功能齐全、性能稳定可靠,是我公司设计人员在广泛搜集、研究、总结国内外同类产品性能的基础上,引入阀门、液压、电气等行业的多项研究成果,厚积而薄发,开发出来的新一代智能化高效节能产品。公司技术力量雄厚,并可根据用户的特殊要求单独进行设计,多方位满足广大用户对该产品的需要。
该产品主要有如下特点:
a、可取代水泵出口处原电动闸阀和止回阀的功能,且机、电、液系统集成为一个整体,减少占地面积及基建投资。
b、电液控制功能齐全,无需加另外配置即可以作为一个独立的系统单机就地调试、控制;也可以作为集散性控制系统(DCS)的一个设备单元,通过1/0通道由中央计算机进行集中管理,与水泵、水轮机、旁通阀及其他管道设备实现联动操作;并配有手动功能,无动力电源时也可以实现手动开、关阀,满足特殊工况下的阀门调试、控制要求。
c、可控性好,调节范围大、适应性强。电液控制系统设有多处调节点,可以按不同的管道控制要求进行启闭程序设置,保证在满足开、关阀条件时,阀门能够且才能够自动按预先设定的时间,角度开启和分快、慢二阶段关闭。并能实现无电关阀,有效消除破坏性水锤,防止水泵和水轮机组飞逸事故的发生,降低管网系统的压力波动,保障设备的安全可靠运行。
d、主阀密封副为三边偏心金属密封或双偏心橡胶密封结构,启闭轻松、密封可靠:并有一道额外加大的偏心,使阀门具有良好的自关闭、自密封性能。中、小口径蝶板设计成流线型平板结构,大口径蝶阀设计面双平板桁架式结构。排挤小,水流平顺,阀门流阻系数仅为0.1~0.6,远小于止回阀的流阻系数(1.7~2.6),节能效果明显。
执行标准
产品标准:GB/T 14478、GB/T 12238、JB/T 8527
传动装置:JB/T5299
结构长度:GB/T12221
配管法兰:灰铸铁法兰GB/T17241.6,球墨铸铁法兰GB12380.1~12380.3,钢制法兰GB/T9113、JB/T79、HG/T20592
蓄能器标准:GB/T2352-2003
试验与检验:GB/T14478、GB/T13927
质量保证:ISO9001:2008
性能参数
主要材质:灰铸铁、球墨铸铁、碳素钢
公称通径:DN300~4000mm
公称压力:PN0.25~4.0MPa
适用温度:<80℃
适用介质:清水、海水、泥沙水、油品等
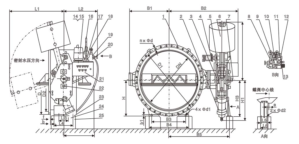
产品尺寸
| 公称通径(mm) | L | D | D1 | D2 | b | f | n | d | L1 | L2 | L3 | L4 | H | H1 | H2 | B1 | B2 | B3 | B4 | b1 | d1 | ||||||||
| 300 | 178 | 435 | 395 | 366 | 26 | 4 | 12 | 23 | 210 | 705 | 100 | 150 | 300 | 650 | 860 | 280 | 765 | 320 | 380 | 30 | 30 | ||||||||
| 350 | 190 | 490 | 445 | 413 | 28 | 4 | 12 | 23 | 210 | 705 | 100 | 140 | 320 | 650 | 860 | 305 | 810 | 320 | 380 | 30 30 | |||||||||
| 400 | 216 | 540 | 495 | 463 | 32 | 4 | 16 | 23 | 210 | 705 | 120 | 180 | 350 | 650 | 860 | 365 | 860 | 340 | 420 | 30 | 30 | ||||||||
| 500 | 229 | 645 | 600 | 568 | 34 | 4 | 20 | 23 | 210 | 705 | 150 | 220 | 400 | 650 | 860 | 440 | 930 | 400 | 500 | 40 32 | |||||||||
| 600 | 267 | 755 | 705 | 667 | 35 | 5 | 20 | 26 | 235 | 740 | 150 | 250 | 460 | 730 | 1020 | 525 | 1066 | 450 | 550 | 40 | 32 | ||||||||
| 700 | 292 | 860 | 810 | 772 | 35 | 5 | 24 | 26 | 235 | 740 | 180 | 290 | 520 | 730 | 1020 | 555 | 1080 | 570 | 700 | 40 32 | |||||||||
| 800 | 318 | 975 | 920 | 878 | 40 | 5 | 24 | 31 | 335 | 740 | 180 | 310 | 580 | 730 | 1020 | 605 | 1240 | 650 | 780 | 40 | 32 | ||||||||
| 900 | 330 | 1075 | 1020 | 978 | 40 | 5 | 24 | 31 | 380 | 890 | 180 | 320 | 640 | 960 | 1160 | 670 | 1310 | 700 | 860 | 40 35 | |||||||||
| 1000 | 410 | 1175 | 1120 | 1078 | 42 | 5 | 28 | 31 | 380 | 890 | 200 | 360 | 690 | 960 | 1160 | 755 | 1360 | 740 | 900 | 40 | 35 | ||||||||
| 1200 | 470 | 1375 | 1320 | 1280 | 45 | 5 | 32 | 31 | 380 | 890 | 200 | 360 | 810 | 960 | 1160 | 855 | 1500 | 790 | 950 | 40 35 | |||||||||
| 1300 | 530 | 1475 | 1420 | 1380 | 30 | 5 | 32 | 31 | 460 | 920 | 260 | 400 | 860 | 1040 | 1210 | 935 | 1565 | 820 | 960 | 40 | 42 | ||||||||
| 1400 | 530 | 1575 | 1520 | 1480 | 30 | 5 | 36 | 31 | 460 | 920 | 260 | 400 | 940 | 1040 | 1210 | 1010 | 1630 | 840 | 1000 | 40 42 | |||||||||
| 1500 | 600 | 1690 | 1630 | 1590 | 30 | 5 | 36 | 31 | 460 | 920 | 260 | 400 | 1000 | 1040 | 1210 | 1055 | 1670 | 900 | 1040 | 40 | 42 | ||||||||
| 1600 | 600 | 1790 | 1730 | 1690 | 32 | 5 | 40 | 31 | 540 | 980 | 270 | 400 | 1080 | 1105 | 1320 | 1120 | 1830 | 1100 | 1300 | 40 42 | |||||||||
| 1750 | 670 | 1935 | 1880 | 1840 | 32 | 5 | 44 | 31 | 540 | 980 | 270 | 500 | 1130 | 1105 | 1320 | 1175 | 1955 | 1350 | 1500 | 45 | 42 | ||||||||
| 1800 | 670 | 1990 | 1930 | 1890 | 34 | 5 | 44 | 31 | 540 | 980 | 270 | 500 | 1130 | 1105 | 1320 | 1210 | 1980 | 1370 | 1570 | 45 42 | |||||||||
| 2000 | 760 | 2190 | 2130 | 2090 | 34 | 5 | 48 | 31 | 680 | 1040 | 360 | 560 | 1250 | 1250 | 1380 | 1380 | 2250 | 1370 | 1650 | 45 | 42 | ||||||||
| 2200 | 800 | 2405 | 2340 | 2295 | 36 | 6 | 52 | 34 | 680 | 1040 | 360 | 600 | 1320 | 1250 | 1380 | 1480 | 2350 | 1600 | 1880 | 45 42 | |||||||||
| 2400 | 850 | 2605 | 2540 | 2495 | 38 | 6 | 56 | 34 | 850 | 1090 | 450 | 600 | 1440 | 1360 | 1540 | 1590 | 2470 | 1740 | 2020 | 45 | 42 | ||||||||
| 2600 | 900 | 2805 | 2740 | 2695 | 40 | 6 | 60 | 34 | 850 | 1090 | 500 | 700 | 1520 | 1360 | 1540 | 1670 | 2520 | 1850 | 2200 | 50 42 | |||||||||
| 2800 | 950 | 3030 | 2960 | 2910 | 42 | 6 | 64 | 37 | 850 | 1090 | 600 | 750 | 1620 | 1360 | 1540 | 1775 | 2630 | 2000 | 2400 | 50 | 48 | ||||||||
| 3000 | 1000 | 3230 | 3160 | 3110 | 42 | 6 | 68 | 37 | 920 | 1140 | 600 | 800 | 1720 | 1430 | 1620 | 1885 | 2770 | 2160 | 2560 | 50 48 | |||||||||
| 3200 | 1100 | 3430 | 3360 | 3310 | 44 | 6 | 72 | 37 | 920 | 1140 | 700 | 900 | 1820 | 1430 | 1620 | 1970 | 2910 | 2360 | 2760 | 50 | 48 | ||||||||
| 3400 | 1200 | 3630 | 3560 | 3510 | 46 | 6 | 76 | 37 | 920 | 1140 | 750 | 1000 | 1920 | 1430 | 1620 | 2060 | 3050 | 2420 | 2920 | 50 48 | |||||||||
| 3500 | 1200 | 3730 | 3660 | 3610 | 48 | 6 | 78 | 37 | 920 | 1140 | 750 | 1000 | 1980 | 1430 | 1620 | 2110 | 3120 | 2680 | 3180 | 50 | 48 | ||||||||
| 3600 | 1200 | 3840 | 3770 | 3720 | 48 | 6 | 80 | 37 | 750 | 1000 | 2050 | 3000 | 2750 | ||||||||||||||||
| 3800 | 1200 | 4045 | 3970 | 3920 | 48 | 6 | 80 | 40 | 750 | 1000 | 2100 | 3100 | 2850 | ||||||||||||||||
| 4000 | 1300 | 4245 | 4170 | 4020 | 50 | 6 | 84 | 40 | 800 | 1100 | 2200 | 3200 | 2950 | ||||||||||||||||
PN0.6MPa
| 公称通径(mm) | L | D | D1 | D2 | b | f | n | d | L1 | L2 | L3 | L4 | H | H1 | H2 | B1 | B2 | B3 | B4 | b1 | d1 | ||||||||
| 300 | 178 | 440 | 395 | 363 | 26 | 4 | 12 | 23 | 210 | 705 | 100 | 150 | 300 | 650 | 860 | 280 | 765 | 320 | 380 | 30 | 30 | ||||||||
| 350 | 190 | 490 | 445 | 413 | 28 | 4 | 12 | 23 | 210 | 705 | 100 | 140 | 320 | 650 | 860 | 305 | 810 | 320 | 380 | 30 30 | |||||||||
| 400 | 216 | 540 | 495 | 463 | 32 | 4 | 16 | 23 | 210 | 705 | 120 | 180 | 350 | 650 | 860 | 365 | 860 | 340 | 420 | 30 | 30 | ||||||||
| 500 | 229 | 645 | 600 | 568 | 34 | 4 | 20 | 23 | 210 | 705 | 150 | 220 | 400 | 650 | 860 | 440 | 930 | 400 | 500 | 40 32 | |||||||||
| 600 | 267 | 755 | 705 | 667 | 35 | 5 | 20 | 28 | 235 | 740 | 150 | 250 | 460 | 730 | 1020 | 525 | 1066 | 450 | 550 | 40 | 32 | ||||||||
| 700 | 292 | 860 | 810 | 772 | 35 | 5 | 24 | 28 | 235 | 740 | 180 | 290 | 520 | 730 | 1020 | 555 | 1080 | 470 | 700 | 40 32 | |||||||||
| 800 | 318 | 975 | 920 | 878 | 40 | 5 | 24 | 31 | 235 | 740 | 180 | 310 | 580 | 730 | 1020 | 605 | 1240 | 650 | 780 | 40 | 32 | ||||||||
| 900 | 330 | 1075 | 1020 | 978 | 40 | 5 | 24 | 31 | 380 | 890 | 180 | 320 | 640 | 960 | 1160 | 670 | 1310 | 700 | 860 | 40 35 | |||||||||
| 1000 | 410 | 1175 | 1120 | 1078 | 42 | 5 | 28 | 31 | 380 | 890 | 200 | 360 | 690 | 960 | 1160 | 755 | 1360 | 740 | 900 | 40 | 35 | ||||||||
| 1200 | 470 | 1405 | 1340 | 1295 | 45 | 5 | 32 | 34 | 380 | 890 | 200 | 360 | 810 | 960 | 1160 | 855 | 1500 | 790 | 950 | 40 35 | |||||||||
| 1300 | 530 | 1520 | 1450 | 1405 | 35 | 5 | 32 | 37 | 460 | 920 | 260 | 400 | 860 | 1040 | 1210 | 935 | 1565 | 820 | 960 | 40 | 42 | ||||||||
| 1400 | 530 | 1630 | 1560 | 1510 | 46 | 5 | 36 | 37 | 460 | 920 | 260 | 400 | 940 | 1040 | 1210 | 1010 | 1630 | 840 | 1000 | 40 42 | |||||||||
| 1500 | 600 | 1730 | 1660 | 1610 | 40 | 5 | 36 | 37 | 460 | 920 | 260 | 400 | 1000 | 1040 | 1210 | 1055 | 1670 | 900 | 1040 | 40 | 42 | ||||||||
| 1600 | 600 | 1830 | 1760 | 1710 | 50 | 5 | 40 | 37 | 540 | 980 | 270 | 400 | 1080 | 1105 | 1320 | 1120 | 1830 | 1100 | 1300 | 40 48 | |||||||||
| 1750 | 670 | 1995 | 1920 | 1868 | 50 | 5 | 44 | 40 | 540 | 980 | 270 | 500 | 1130 | 1105 | 1320 | 1175 | 1955 | 1350 | 1500 | 45 | 48 | ||||||||
| 1800 | 670 | 2045 | 1970 | 1918 | 52 | 5 | 44 | 40 | 540 | 980 | 270 | 500 | 1130 | 1105 | 1320 | 1210 | 1980 | 1370 | 1570 | 45 48 | |||||||||
| 2000 | 760 | 2265 | 2180 | 2125 | 40 | 5 | 48 | 43 | 680 | 1040 | 360 | 560 | 1250 | 1250 | 1380 | 1380 | 2250 | 1370 | 1650 | 45 | 48 | ||||||||
| 2200 | 800 | 2475 | 2390 | 2335 | 42 | 6 | 52 | 43 | 680 | 1040 | 360 | 600 | 1320 | 1250 | 1380 | 1480 | 2350 | 1600 | 1880 | 45 48 | |||||||||
| 2400 | 850 | 2685 | 2600 | 2545 | 45 | 6 | 56 | 43 | 850 | 1090 | 450 | 600 | 1440 | 1360 | 1540 | 1590 | 2470 | 1740 | 2020 | 45 | 48 | ||||||||
| 2600 | 900 | 2905 | 2810 | 2750 | 46 | 6 | 60 | 49 | 850 | 1090 | 500 | 700 | 1520 | 1360 | 1540 | 1670 | 2520 | 1850 | 2200 | 50 56 | |||||||||
| 2800 | 950 | 3115 | 3020 | 2960 | 48 | 6 | 64 | 49 | 850 | 1090 | 600 | 750 | 1620 | 1360 | 1540 | 1775 | 2630 | 2000 | 2400 | 50 | 56 | ||||||||
| 3000 | 1000 | 3315 | 3220 | 3160 | 50 | 6 | 68 | 49 | 920 | 1140 | 600 | 800 | 1720 | 1430 | 1620 | 1885 | 2770 | 2160 | 2560 | 50 56 | |||||||||
| 3200 | 1100 | 3525 | 3430 | 3370 | 54 | 6 | 72 | 49 | 920 | 1140 | 700 | 900 | 1820 | 1430 | 1620 | 1970 | 2910 | 2360 | 2760 | 50 | 56 | ||||||||
| 3400 | 1200 | 3735 | 3640 | 3580 | 56 | 6 | 76 | 49 | 920 | 1140 | 750 | 1000 | 1920 | 1430 | 1620 | 2060 | 3050 | 2420 | 2920 | 50 56 | |||||||||
| 3500 | 1200 | 3840 | 3745 | 3685 | 58 | 6 | 78 | 49 | 920 | 1140 | 750 | 1000 | 1980 | 1430 | 1620 | 2110 | 3120 | 2680 | 3180 | 50 | 56 | ||||||||
PN1.0MPa
| 公称通径(mm) | L | D | D1 | D2 | b | f | n | d | L1 | L2 | L3 | L4 | H | H1 | H2 | B1 | B2 | B3 | B4 | b1 | d1 | ||||||||
| 300 | 178 | 445 | 400 | 370 | 26 | 4 | 12 | 23 | 210 | 705 | 100 | 150 | 300 | 650 | 860 | 280 | 765 | 320 | 380 | 30 | 30 | ||||||||
| 350 | 190 | 505 | 460 | 429 | 28 | 4 | 16 | 23 | 210 | 705 | 100 | 140 | 320 | 650 | 860 | 305 | 810 | 320 | 380 | 30 30 | |||||||||
| 400 | 216 | 565 | 515 | 480 | 32 | 4 | 16 | 28 | 210 | 705 | 120 | 180 | 350 | 650 | 860 | 365 | 860 | 340 | 420 | 30 | 30 | ||||||||
| 500 | 229 | 670 | 620 | 582 | 34 | 4 | 20 | 28 | 210 | 705 | 150 | 220 | 400 | 650 | 860 | 440 | 930 | 400 | 500 | 40 32 | |||||||||
| 600 | 267 | 780 | 725 | 682 | 35 | 5 | 20 | 31 | 235 | 740 | 150 | 250 | 460 | 730 | 1020 | 525 | 1066 | 450 | 550 | 40 | 32 | ||||||||
| 700 | 292 | 895 | 840 | 794 | 35 | 5 | 24 | 31 | 235 | 740 | 180 | 290 | 520 | 730 | 1020 | 555 | 1080 | 570 | 700 | 40 32 | |||||||||
| 800 | 318 | 1015 | 950 | 901 | 40 | 5 | 24 | 34 | 235 | 740 | 180 | 310 | 580 | 730 | 1020 | 605 | 1240 | 650 | 780 | 40 | 32 | ||||||||
| 900 | 330 | 1115 | 1050 | 1001 | 40 | 5 | 28 | 34 | 380 | 890 | 180 | 320 | 640 | 960 | 1160 | 670 | 1310 | 700 | 860 | 40 35 | |||||||||
| 1000 | 410 | 1230 | 1160 | 1112 | 42 | 5 | 28 | 37 | 380 | 890 | 200 | 360 | 690 | 960 | 1160 | 755 | 1360 | 740 | 900 | 40 | 35 | ||||||||
| 1100 | 470 | 1340 | 1270 | 1222 | 42 | 5 | 28 | 37 | 380 | 890 | 200 | 360 | 750 | 960 | 1160 | 805 | 1410 | 760 | 920 | 40 35 | |||||||||
| 1200 | 470 | 1455 | 1380 | 1328 | 45 | 5 | 32 | 40 | 380 | 820 | 200 | 360 | 810 | 960 | 1160 | 855 | 1500 | 790 | 950 | 40 | 35 | ||||||||
| 1250 | 530 | 1505 | 1430 | 1378 | 45 | 5 | 32 | 40 | 380 | 890 | 200 | 360 | 810 | 960 | 1160 | 910 | 1525 | 1140 | 1280 | 40 42 | |||||||||
| 1300 | 530 | 1575 | 1490 | 1425 | 45 | 5 | 32 | 43 | 460 | 920 | 260 | 400 | 860 | 1040 | 1210 | 935 | 1565 | 820 | 960 | 40 | 42 | ||||||||
| 1400 | 530 | 1675 | 1590 | 1530 | 46 | 5 | 36 | 43 | 460 | 920 | 260 | 400 | 940 | 1040 | 1210 | 1010 | 1630 | 840 | 1000 | 40 42 | |||||||||
| 1500 | 600 | 1785 | 1700 | 1640 | 46 | 5 | 36 | 49 | 460 | 920 | 260 | 400 | 1000 | 1040 | 1210 | 1055 | 1670 | 900 | 1040 | 40 | 42 | ||||||||
| 1600 | 600 | 1915 | 1820 | 1750 | 50 | 5 | 40 | 49 | 540 | 980 | 270 | 400 | 1080 | 1105 | 1320 | 1120 | 1830 | 1100 | 1300 | 40 48 | |||||||||
| 1750 | 670 | 2065 | 1970 | 1900 | 50 | 5 | 44 | 49 | 540 | 980 | 270 | 500 | 1130 | 1105 | 1320 | 1175 | 1955 | 1350 | 1500 | 45 | 48 | ||||||||
| 1800 | 670 | 2115 | 2020 | 1950 | 52 | 5 | 44 | 49 | 540 | 980 | 270 | 500 | 1130 | 1105 | 1320 | 1210 | 1980 | 1370 | 1570 | 45 48 | |||||||||
| 2000 | 760 | 2325 | 2230 | 2150 | 54 | 5 | 48 | 49 | 680 | 1040 | 360 | 560 | 1250 | 1250 | 1380 | 1380 | 2250 | 1370 | 1650 | 45 | 48 | ||||||||
| 2200 | 800 | 2550 | 2440 | 2370 | 58 | 5 | 52 | 56 | 680 | 1040 | 360 | 600 | 1320 | 1250 | 1380 | 1480 | 2350 | 1600 | 1880 | 45 56 | |||||||||
| 2250 | 800 | 2600 | 2490 | 2420 | 60 | 5 | 52 | 56 | 680 | 1040 | 360 | 600 | 1330 | 1250 | 1380 | 1510 | 2375 | 1600 | 1880 | 45 | 56 | ||||||||
| 2400 | 850 | 2760 | 2650 | 2570 | 65 | 6 | 56 | 56 | 850 | 1090 | 450 | 600 | 1440 | 1360 | 1540 | 1590 | 2470 | 1740 | 2020 | 45 56 | |||||||||
PN1.6MPa
| 公称通径(mm) | L | D | D1 | D2 | b | f | n | d | L1 | L2 | L3 | L4 | H | H1 | H2 | B1 | B2 | B3 | B4 | b1 | d1 | |||
| 300 | 178 | 460 | 410 | 375 | 26 | 4 | 12 | 27 | 210 | 705 | 100 | 150 | 300 | 650 | 860 | 280 | 765 | 320 | 380 | 30 | 30 | |||
| 350 | 190 | 520 | 470 | 429 | 28 | 4 | 16 | 27 | 210 | 705 | 100 | 140 | 320 | 650 | 860 | 305 | 810 | 320 | 380 | 30 | 30 | |||
| 400 | 216 | 580 | 525 | 480 | 32 | 4 | 16 | 31 | 210 | 705 | 120 | 180 | 350 | 650 | 860 | 365 | 860 | 340 | 420 | 30 | 30 | |||
| 500 | 229 | 715 | 650 | 609 | 34 | 4 | 20 | 34 | 210 | 705 | 150 | 220 | 400 | 650 | 860 | 440 | 930 | 400 | 500 | 40 | 32 | |||
| 600 | 267 | 840 | 770 | 720 | 35 | 5 | 20 | 37 | 235 | 740 | 150 | 250 | 460 | 730 | 1020 | 525 | 1066 | 450 | 550 | 40 | 32 | |||
| 700 | 292 | 910 | 840 | 794 | 35 | 5 | 24 | 37 | 235 | 740 | 180 | 290 | 520 | 730 | 1020 | 555 | 1080 | 570 | 700 | 40 | 32 | |||
| 800 | 318 | 1025 | 950 | 901 | 40 | 5 | 24 | 40 | 235 | 740 | 180 | 310 | 580 | 730 | 1020 | 605 | 1240 | 650 | 780 | 40 | 32 | |||
| 900 | 330 | 1125 | 1050 | 1001 | 40 | 5 | 28 | 40 | 380 | 890 | 180 | 320 | 640 | 960 | 1160 | 670 | 1310 | 700 | 860 | 40 | 35 | |||
| 1000 | 410 | 1255 | 1170 | 1112 | 42 | 5 | 28 | 43 | 380 | 890 | 200 | 360 | 690 | 960 | 1160 | 755 | 1360 | 740 | 900 | 40 | 35 | |||
| 1100 | 470 | 1370 | 1280 | 1222 | 42 | 5 | 28 | 43 | 380 | 890 | 200 | 360 | 750 | 960 | 1160 | 805 | 1410 | 760 | 920 | 40 | 35 | |||
| 1200 | 470 | 1485 | 1390 | 1328 | 45 | 5 | 32 | 49 | 380 | 890 | 200 | 360 | 810 | 960 | 1160 | 855 | 1500 | 790 | 950 | 40 | 35 | |||
| 1250 | 530 | 1535 | 1440 | 1378 | 46 | 5 | 32 | 49 | 460 | 920 | 200 | 360 | 810 | 1040 | 1210 | 910 | 1525 | 1140 | 1280 | 40 | 42 | |||
| 1300 | 530 | 1585 | 1490 | 1425 | 50 | 5 | 32 | 49 | 460 | 920 | 260 | 400 | 860 | 1040 | 1210 | 935 | 1565 | 820 | 960 | 40 | 42 | |||
| 1400 | 530 | 1685 | 1590 | 1530 | 54 | 5 | 36 | 49 | 460 | 920 | 260 | 400 | 940 | 1040 | 1210 | 1010 | 1630 | 840 | 1000 | 40 | 42 | |||
| 1500 | 600 | 1820 | 1710 | 1640 | 54 | 5 | 36 | 49 | 460 | 920 | 260 | 400 | 1000 | 1040 | 1210 | 1055 | 1670 | 900 | 1040 | 40 | 42 | |||
| 1600 | 600 | 1930 | 1820 | 1750 | 56 | 5 | 40 | 56 | 540 | 980 | 270 | 400 | 1080 | 1105 | 1320 | 1120 | 1830 | 1100 | 1300 | 40 | 48 | |||
| 1750 | 670 | 2080 | 1970 | 1900 | 60 | 5 | 44 | 56 | 540 | 980 | 270 | 500 | 1130 | 1105 | 1320 | 1175 | 1955 | 1350 | 1500 | 45 | 48 | |||
| 1800 | 670 | 2130 | 2020 | 1950 | 60 | 5 | 44 | 56 | 540 | 980 | 270 | 500 | 1130 | 1105 | 1320 | 1210 | 1980 | 1370 | 1570 | 45 | 48 | |||
| 2000 | 760 | 2345 | 2230 | 2150 | 65 | 5 | 48 | 62 | 680 | 1040 | 360 | 560 | 1250 | 1250 | 1380 | 1380 | 2250 | 1370 | 1650 | 45 | 48 | |||
| 2200 | 800 | 2555 | 2440 | 2360 | 70 | 5 | 52 | 62 | 680 | 1040 | 360 | 600 | 1320 | 1250 | 1380 | 1480 | 2350 | 1600 | 1880 | 45 | 56 | |||
| 2250 | 800 | 2605 | 2490 | 2410 | 70 | 5 | 52 | 62 | 680 | 1140 | 360 | 600 | 1330 | 1250 | 1380 | 1510 | 2375 | 1600 | 1880 | 45 | 56 | |||
PN2.5MPa
| 公称通径(mm) | L | D | D1 | D2 | b | f | n | d | L1 | L2 | L3 | L4 | H | H1 | H2 | B1 | B2 | B3 | B4 | b1 | d1 | |||
| 300 | 178 | 485 | 430 | 389 | 34 | 4 | 16 | 31 | 210 | 705 | 100 | 150 | 300 | 650 | 860 | 280 | 765 | 320 | 380 | 30 | 32 | |||
| 350 | 190 | 555 | 490 | 448 | 38 | 4 | 16 | 34 | 210 | 705 | 100 | 140 | 320 | 650 | 860 | 305 | 810 | 320 | 380 | 30 32 | ||||
| 400 | 216 | 620 | 550 | 503 | 40 | 4 | 16 | 37 | 235 | 740 | 120 | 180 | 350 | 730 | 1020 | 365 | 860 | 340 | 420 | 30 | 32 | |||
| 500 | 229 | 730 | 660 | 609 | 44 | 4 | 20 | 37 | 235 | 740 | 150 | 220 | 400 | 730 | 1020 | 440 | 930 | 400 | 500 | 40 15 | ||||
| 600 | 267 | 845 | 770 | 720 | 46 | 5 | 20 | 40 | 235 | 740 | 150 | 250 | 460 | 730 | 1020 | 525 | 1066 | 450 | 550 | 40 | 35 | |||
| 700 | 292 | 960 | 875 | 820 | 50 | 5 | 24 | 43 | 380 | 890 | 180 | 290 | 520 | 960 | 1160 | 555 | 1080 | 570 | 700 | 40 35 | ||||
| 800 | 318 | 1085 | 990 | 928 | 54 | 5 | 24 | 49 | 380 | 890 | 180 | 310 | 580 | 960 | 1160 | 605 | 1240 | 650 | 780 | 40 | 38 | |||
| 900 | 330 | 1185 | 1090 | 1028 | 58 | 5 | 28 | 49 | 380 | 890 | 180 | 320 | 640 | 960 | 1160 | 670 | 1310 | 700 | 860 | 40 38 | ||||
| 1000 | 410 | 1320 | 1210 | 1140 | 62 | 5 | 28 | 56 | 460 | 920 | 200 | 360 | 690 | 1040 | 1210 | 755 | 1360 | 740 | 900 | 40 | 42 | |||
| 1100 | 470 | 1425 | 1315 | 1245 | 65 | 5 | 28 | 56 | 460 | 920 | 200 | 360 | 750 | 1040 | 1210 | 805 | 1410 | 760 | 920 | 40 42 | ||||
| 1200 | 470 | 1530 | 1420 | 1350 | 70 | 5 | 32 | 56 | 460 | 920 | 200 | 360 | 810 | 1040 | 1210 | 855 | 1500 | 790 | 950 | 40 | 48 | |||
| 1250 | 530 | 1575 | 1470 | 1400 | 70 | 5 | 32 | 56 | 460 | 920 | 200 | 360 | 810 | 1040 | 1210 | 910 | 1525 | 1140 | 1280 | 40 48 | ||||
| 1300 | 530 | 1640 | 1530 | 1450 | 74 | 5 | 32 | 62 | 460 | 920 | 260 | 400 | 860 | 1040 | 1210 | 935 | 1565 | 820 | 960 | 40 | 48 | |||
| 1400 | 530 | 1755 | 1640 | 1560 | 76 | 5 | 36 | 62 | 540 | 980 | 260 | 400 | 940 | 1105 | 1320 | 1010 | 1630 | 840 | 1000 | 40 52 | ||||
| 1500 | 600 | 1865 | 1750 | 1670 | 80 | 5 | 36 | 62 | 540 | 980 | 260 | 400 | 1000 | 1105 | 1320 | 1055 | 1670 | 900 | 1040 | 40 | 52 | |||
| 1600 | 600 | 1975 | 1860 | 1780 | 84 | 5 | 40 | 62 | 540 | 980 | 270 | 400 | 1080 | 1105 | 1320 | 1120 | 1830 | 1100 | 1300 | 40 56 | ||||
| 1750 | 670 | 2145 | 2020 | 1935 | 90 | 5 | 44 | 70 | 680 | 1040 | 270 | 500 | 1130 | 1250 | 1380 | 1175 | 1955 | 1350 | 1500 | 45 | 56 | |||
| 1800 | 670 | 2195 | 2070 | 1985 | 90 | 5 | 44 | 70 | 680 | 1040 | 270 | 500 | 1130 | 1250 | 1380 | 1210 | 1980 | 1370 | 1570 | 45 56 | ||||





