结构特点
1、阀瓣采用“子弹头”外形设计,阀体采用“腰鼓”外形设计,改善介质流向,降低流阻系数
2、阀门采用短结构形式,虽然水头损失比升降式静音止回阀稍大些,但体积小、价格便宜
3、结构紧凑,导向轴与导向架之间装有非金属润滑套,阀瓣升降灵活,不会产生抱死现象
4、骨架式橡胶密封圈直接镶嵌在阀体上,避免了介质长时间对密封圈的直接冲刷,使用寿命明显延长,坚固 耐用
5、阀瓣启闭行程短,可以有效的防止水锤产生
6、适用于给排水系统,高层建筑管网,可安装在泵的出口处,结构稍加改动,可做为吸水底阀使用,但不适 用于污水管网
执行标准
法兰标准:GB/T 17241.6 GB/T 9113
试验标准:GB/T 13927 API 598
性能参数
公称通径:40~ 600mm
公称压力:1.0~1.6MPa
适用介质:水及弱腐蚀性流体
适用温度:0~ 80℃
主体材质:铸铁、球墨铸铁、碳钢、不锈钢
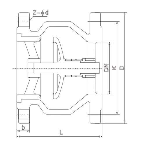
产品尺寸
|
DN |
40 |
50 |
65 |
80 |
100 |
125 |
150 |
200 |
250 |
300 |
350 |
400 |
450 |
500 |
600 |
|
L |
112 |
120 |
130 |
150 |
165 |
190 |
210 |
255 |
310 |
320 |
380 |
405 |
430 |
450 |
510 |





