结构特点
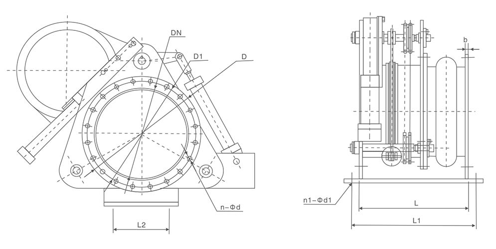
1、本阀由左右阀体、扇形阀板、不锈钢波纹管、驱动装置、夹紧装置等部件组成;
2、阀体采用三点式锁紧扇形阀板结构;
3、密封部位采用不锈钢与橡胶密封圈,密封性能可靠,从而增加密封圈的使用寿命,密封圈设在阀板上,便于维护时更换密封圈;
4、执行器操作、工作平稳、启闭灵活、动作可靠;
5、夹紧动作采用丝杆螺母副进行夹紧,自锁性好;
6、盲板阀设有不锈刚波纹管,具有伸缩性强、使用寿命长等到优点。
执行标准
设计标准:API 600、API6D、ASME B16.34、GB/T 12234
结构长度:ASME B16.10、API6D、GB/T 12221
连接标准:ASME B16.5、ASME B16.47、GB/T 9113、JB/T 79、HG/T 20592
压力试验:API 598、GB/T 13927、JB/T 9092
压力-温度等级:ASME B16.34 、GB/T 12224
性能参数
公称通径:DN200~2000mm
压力范围:PN0.05~0.150MPa
适用温度:≤80
主体材质:碳素钢
适用介质:煤气、其它可燃气体
|
DN |
D |
D1 |
b |
n-Φd |
L |
L1 |
L2 |
n1-Φd1 |
|
200 |
320 |
280 |
14 |
8-Φ18 |
500 |
580 |
100 |
4-Φ12 |
|
250 |
375 |
335 |
14 |
12-Φ18 |
500 |
580 |
150 |
4-Φ12 |
|
300 |
440 |
395 |
16 |
12-Φ22 |
500 |
580 |
150 |
4-Φ12 |
|
350 |
490 |
445 |
16 |
12-Φ22 |
500 |
580 |
200 |
4-Φ15 |
|
400 |
540 |
495 |
16 |
16-Φ22 |
600 |
680 |
200 |
4-Φ15 |
|
450 |
595 |
550 |
20 |
16-Φ22 |
600 |
680 |
250 |
4-Φ15 |
|
500 |
645 |
600 |
20 |
20-Φ22 |
600 |
680 |
300 |
4-Φ15 |
|
600 |
755 |
705 |
20 |
20-Φ26 |
600 |
680 |
350 |
4-Φ15 |
|
700 |
860 |
810 |
20 |
24-Φ26 |
600 |
680 |
350 |
4-Φ18 |
|
800 |
975 |
920 |
22 |
24-Φ30 |
600 |
680 |
400 |
4-Φ18 |
|
900 |
1075 |
1020 |
22 |
24-Φ30 |
630 |
710 |
400 |
4-Φ18 |
|
1000 |
1175 |
1120 |
22 |
28-Φ30 |
630 |
710 |
500 |
4-Φ20 |
|
1200 |
1375 |
1320 |
22 |
32-Φ30 |
750 |
830 |
600 |
6-Φ20 |
|
1400 |
1575 |
1520 |
26 |
36-Φ30 |
750 |
830 |
700 |
6-Φ20 |
|
1500 |
1675 |
1620 |
26 |
36-Φ30 |
750 |
830 |
750 |
6-Φ22 |
|
1600 |
1790 |
1730 |
26 |
40-Φ30 |
750 |
830 |
800 |
6-Φ22 |
|
1800 |
1990 |
1930 |
26 |
44-Φ30 |
750 |
830 |
900 |
6-Φ22 |
|
2000 |
2190 |
2130 |
26 |
48-Φ30 |
750 |
830 |
1000 |
6-Φ22 |





