结构特点
1、通风蝶阀内无连杆、螺栓等、工作可靠、使用寿命长。可以多工位安装,不受介质流向影响。
2、通风蝶阀采用中线式碟板与短结构钢板焊接的新型结构形式设计制造的,结构紧凑、重量轻、便于安装、流阻小、流通量大,避免高温膨胀的影响,操作轻便。
执行标准
设计标准:GB/T12238-1989 JB/T8692-1998
法兰连接尺寸:GB/ T9119
结构长度:GB/T12221-1989
压力试验:GB/T13927-1992;JB/T9092-1999
性能参数
公称通径:DN200~3000mm
公称压力:0.1MPa
适用温度:≤300℃
泄漏率:≤1.0%
适用介质:空气、烟气
主要材质:碳钢、合金钢
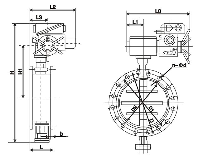
产品尺寸
|
DN |
L |
D |
D1 |
b |
n-Φd |
H |
H0 |
L0 |
L1 |
L2 |
L3 |
电动型号 |
电机功率Kw |
重量Kg |
|
200 |
140 |
320 |
280 |
16 |
8-Φ17.5 |
930 |
397 |
565 |
120 |
480 |
170 |
Q12.5A |
0.03 |
95 |
|
250 |
140 |
375 |
335 |
16 |
12-Φ17.5 |
995 |
441 |
565 |
120 |
480 |
170 |
100 |
||
|
300 |
170 |
440 |
395 |
16 |
12-Φ22 |
1005 |
497 |
565 |
120 |
480 |
170 |
108 |
||
|
350 |
170 |
490 |
445 |
16 |
12-Φ22 |
1055 |
547 |
565 |
120 |
480 |
170 |
Q50A |
0.05 |
118 |
|
400 |
190 |
540 |
495 |
16 |
16-Φ22 |
1110 |
570 |
565 |
120 |
480 |
170 |
131 |
||
|
500 |
190 |
645 |
600 |
20 |
20-Φ22 |
1240 |
600 |
565 |
120 |
480 |
170 |
153 |
||
|
600 |
210 |
755 |
705 |
20 |
20-Φ26 |
1345 |
670 |
565 |
120 |
480 |
170 |
185 |
||
|
700 |
210 |
860 |
810 |
20 |
24-Φ26 |
1445 |
720 |
565 |
120 |
480 |
170 |
230 |
||
|
800 |
210 |
975 |
920 |
20 |
24-Φ26 |
1545 |
780 |
565 |
120 |
480 |
170 |
340 |
||
|
900 |
250 |
1075 |
1020 |
20 |
24-Φ30 |
1660 |
830 |
625 |
145 |
515 |
170 |
Q200 |
0.37 |
390 |
|
100 |
250 |
1175 |
1120 |
20 |
28-Φ30 |
1710 |
879 |
625 |
145 |
515 |
170 |
460 |
||
|
1200 |
250 |
1375 |
1320 |
20 |
32-Φ30 |
2110 |
975 |
625 |
145 |
515 |
170 |
DQ400 |
0.55 |
700 |
|
1400 |
300 |
1575 |
1520 |
24 |
36-Φ30 |
2575 |
1280 |
760 |
162 |
515 |
170 |
950 |
||
|
1600 |
300 |
1790 |
1730 |
24 |
40-Φ30 |
2880 |
1380 |
760 |
230 |
545 |
170 |
1180 |
||
|
1800 |
300 |
1990 |
1930 |
24 |
44-Φ30 |
3080 |
1555 |
760 |
230 |
545 |
170 |
DQ600 |
0.75 |
1420 |
|
2000 |
300 |
2190 |
2130 |
24 |
48-Φ30 |
3340 |
1860 |
785 |
230 |
720 |
340 |
1680 |
||
|
2200 |
350 |
2405 |
2340 |
24 |
52-Φ33 |
3560 |
1970 |
785 |
230 |
720 |
340 |
DQ800 |
|
1980 |
|
2400 |
350 |
2605 |
2540 |
24 |
56-Φ33 |
3840 |
2110 |
785 |
230 |
720 |
340 |
DQ 1000 |
0.75 |
2370 |
|
2600 |
350 |
2805 |
2740 |
28 |
60-Φ33 |
4055 |
2220 |
970 |
230 |
720 |
340 |
1.5 |
2838 |
|
|
2800 |
400 |
3030 |
2960 |
28 |
64-Φ36 |
4255 |
2320 |
970 |
230 |
720 |
340 |
3040 |
||
|
3000 |
400 |
3230 |
3160 |
28 |
68-Φ36 |
4610 |
2420 |
1130 |
303 |
840 |
430 |
4410 |





