结构特点
1、采用了斜置椭圆蝶板径向动平衡密封系统,阀门进出口两侧受力近似平衡,阀门的开启力矩较小,正反向密封性能可靠,可达到双向承压**;
2、阀门密封面采用整体式金属密封圈,经过高精度机械加工而成,密封截面为椭圆型,它与阀座金属密封面组成密封副。阀门启闭时,蝶板密封面沿360°圆周各点瞬间接触或脱离,能快速准确实现开启或关闭动作;
3、采用了三偏心结构,即在双偏心蝶阀的基础上增加了一个角度偏心。
执行标准
设计规范:GB/T 12238、JB/T8527
法兰连接:GB/T 9113、JB/T79、HG20592
结构长度:GB/T12221
试验与检验:GB/T13927
性能参数
主要材质:铸钢、不锈钢、铬钼钢、合金钢、双相钢
产品型号:DS343H
产品规格:DN50~2000mm
压力等级:PN0.6~4.0MPa
适用介质:空气、水、蒸汽、煤气、油品及酸、碱、盐带有弱腐蚀性介质等
适用温度:碳钢:-29℃~425℃ 不锈钢:-40℃~600℃
驱动方式:蜗轮传动、气动传动、电动传动、液动传动
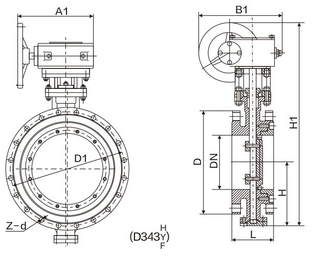
产品尺寸
|
DN |
结构长度 (标准值) |
外形尺寸(参考值) |
连接尺寸(标准值) |
|||||||||||||||||||
|
L |
H |
D343H |
PN0.25MPa |
PN0.6MPa |
PN1.0MPa |
|||||||||||||||||
|
毫米 |
英寸 |
短 |
长 |
H1 |
A1 |
B1 |
D |
D1 |
Z-d |
D |
D1 |
Z-d |
D |
D1 |
Z-d |
|||||||
|
40 |
1 1/2 |
106 |
140 |
107 |
330 |
180 |
200 |
130 |
100 |
4-14 |
130 |
100 |
4-14 |
150 |
110 |
4-18 |
||||||
|
50 |
2 |
108 |
150 |
112 |
350 |
180 |
200 |
140 |
110 |
4-14 |
140 |
110 |
4-14 |
165 |
125 |
4-18 |
||||||
|
65 |
2 1/2 |
112 |
170 |
115 |
370 |
180 |
200 |
160 |
130 |
4-14 |
160 |
130 |
4-14 |
185 |
145 |
4-18 |
||||||
|
80 |
3 |
114 |
180 |
120 |
380 |
180 |
200 |
190 |
150 |
4-18 |
190 |
150 |
4-18 |
200 |
160 |
8-18 |
||||||
|
100 |
4 |
127 |
190 |
138 |
420 |
180 |
200 |
210 |
170 |
4-18 |
210 |
170 |
4-18 |
220 |
180 |
8-18 |
||||||
|
125 |
5 |
140 |
200 |
164 |
460 |
180 |
200 |
240 |
200 |
8-18 |
240 |
200 |
8-18 |
250 |
210 |
8-18 |
||||||
|
150 |
6 |
140 |
210 |
175 |
555 |
270 |
280 |
265 |
225 |
8-18 |
265 |
225 |
8-18 |
285 |
240 |
8-22 |
||||||
|
200 |
8 |
152 |
230 |
200 |
760 |
400 |
425 |
320 |
280 |
8-18 |
320 |
280 |
8-18 |
340 |
295 |
8-22 |
||||||
|
250 |
10 |
165 |
250 |
243 |
830 |
400 |
425 |
375 |
335 |
12-18 |
375 |
335 |
12-18 |
395 |
350 |
12-22 |
||||||
|
300 |
12 |
178 |
270 |
250 |
895 |
450 |
560 |
440 |
395 |
12-22 |
440 |
395 |
12-22 |
445 |
400 |
12-22 |
||||||
|
350 |
14 |
190 |
290 |
280 |
950 |
450 |
560 |
490 |
445 |
12-22 |
490 |
445 |
12-22 |
505 |
460 |
16-22 |
||||||
|
400 |
16 |
216 |
310 |
305 |
1190 |
535 |
580 |
540 |
495 |
16-22 |
540 |
495 |
16-22 |
565 |
515 |
16-26 |
||||||
|
450 |
18 |
222 |
330 |
350 |
1255 |
535 |
580 |
595 |
550 |
16-22 |
595 |
550 |
16-22 |
615 |
565 |
20-26 |
||||||
|
500 |
20 |
229 |
350 |
380 |
1305 |
535 |
580 |
645 |
600 |
20-22 |
645 |
600 |
20-22 |
670 |
620 |
20-26 |
||||||
|
600 |
24 |
267 |
390 |
445 |
1340 |
570 |
660 |
755 |
705 |
20-26 |
755 |
705 |
20-26 |
780 |
725 |
20-30 |
||||||
|
700 |
28 |
292 |
430 |
480 |
1520 |
750 |
550 |
860 |
810 |
24-26 |
860 |
810 |
24-26 |
895 |
840 |
24-30 |
||||||
|
800 |
32 |
318 |
470 |
530 |
1710 |
750 |
550 |
975 |
920 |
24-30 |
975 |
920 |
24-30 |
1015 |
950 |
24-33 |
||||||
|
900 |
36 |
330 |
510 |
580 |
1810 |
750 |
550 |
1075 |
1020 |
24-30 |
1075 |
1020 |
24-30 |
1115 |
1050 |
28-33 |
||||||
|
1000 |
40 |
410 |
550 |
650 |
1960 |
900 |
750 |
1175 |
1120 |
28-30 |
1175 |
1120 |
28-30 |
1230 |
1160 |
28-36 |
||||||
|
1200 |
48 |
470 |
630 |
760 |
2250 |
1000 |
925 |
1375 |
1320 |
32-30 |
1405 |
1340 |
32-33 |
1455 |
1380 |
32-39 |
||||||
|
1400 |
56 |
530 |
710 |
850 |
2435 |
1000 |
925 |
1575 |
1520 |
36-30 |
1630 |
1560 |
36-36 |
1675 |
1590 |
36-42 |
||||||
|
1600 |
64 |
600 |
790 |
1030 |
2780 |
1000 |
925 |
1790 |
1730 |
40-30 |
1830 |
1760 |
40-36 |
1915 |
1820 |
40-48 |
||||||
|
1800 |
72 |
670 |
870 |
1230 |
3020 |
1100 |
980 |
1990 |
1930 |
44-30 |
2045 |
1970 |
44-39 |
2115 |
2020 |
44-48 |
||||||
|
2000 |
80 |
760 |
950 |
1350 |
3270 |
1100 |
980 |
2190 |
2130 |
48-30 |
2265 |
2180 |
48-42 |
2325 |
2230 |
48-48 |
||||||
|
DN |
结构长度 (标准值 ) |
外形尺寸(参考值) |
连接尺寸(标准值) |
||||||||||||||
|
H |
D343H |
PN1.6MPa |
PN2.5MPa |
||||||||||||||
|
L |
|||||||||||||||||
|
毫米 |
英寸 |
短 |
长 |
H1 |
A1 |
B1 |
D |
D1 |
Z-d |
D |
D1 |
Z-d |
|||||
|
50 |
2 |
108 |
150 |
112 |
350 |
180 |
200 |
165 |
125 |
4-18 |
165 |
125 |
4-18 |
||||
|
65 |
2 1/2 |
112 |
170 |
115 |
370 |
180 |
200 |
185 |
145 |
4-18 |
185 |
145 |
8-18 |
||||
|
80 |
3 |
114 |
180 |
120 |
380 |
180 |
200 |
200 |
160 |
8-18 |
200 |
160 |
8-18 |
||||
|
100 |
4 |
127 |
190 |
138 |
420 |
180 |
200 |
220 |
180 |
8-18 |
235 |
190 |
8-22 |
||||
|
125 |
5 |
140 |
200 |
164 |
460 |
180 |
200 |
250 |
210 |
8-18 |
270 |
220 |
8-26 |
||||
|
150 |
6 |
140 |
210 |
175 |
555 |
270 |
280 |
285 |
240 |
8-22 |
300 |
250 |
8-26 |
||||
|
200 |
8 |
152 |
230 |
200 |
760 |
400 |
425 |
340 |
295 |
12-22 |
360 |
310 |
12-26 |
||||
|
250 |
10 |
165 |
250 |
243 |
830 |
400 |
425 |
405 |
355 |
12-26 |
425 |
370 |
12-30 |
||||
|
300 |
12 |
178 |
270 |
250 |
895 |
450 |
560 |
460 |
410 |
12-26 |
485 |
430 |
16-30 |
||||
|
350 |
14 |
190 |
290 |
280 |
950 |
450 |
560 |
520 |
470 |
16-26 |
555 |
490 |
16-33 |
||||
|
400 |
16 |
216 |
310 |
305 |
1190 |
535 |
580 |
580 |
525 |
16-30 |
620 |
550 |
16-36 |
||||
|
450 |
18 |
222 |
330 |
350 |
1255 |
535 |
580 |
640 |
585 |
20-30 |
670 |
600 |
20-36 |
||||
|
500 |
20 |
229 |
350 |
380 |
1305 |
535 |
580 |
715 |
650 |
20-33 |
730 |
660 |
20-36 |
||||
|
600 |
24 |
267 |
390 |
445 |
1340 |
570 |
660 |
840 |
770 |
20-36 |
845 |
770 |
20-39 |
||||
|
700 |
28 |
292 |
430 |
480 |
1520 |
750 |
550 |
910 |
840 |
24-36 |
960 |
875 |
24-42 |
||||
|
800 |
32 |
318 |
470 |
530 |
1710 |
750 |
550 |
1025 |
950 |
24-39 |
1085 |
990 |
24-48 |
||||
|
900 |
36 |
330 |
510 |
580 |
1810 |
750 |
550 |
1125 |
1050 |
28-39 |
1185 |
1090 |
28-48 |
||||
|
1000 |
40 |
410 |
550 |
650 |
1960 |
900 |
750 |
1255 |
1170 |
28-42 |
1320 |
1210 |
28-56 |
||||
|
1200 |
48 |
470 |
630 |
760 |
2250 |
1000 |
925 |
1485 |
1390 |
32-48 |
1530 |
1420 |
32-56 |
||||
|
1400 |
56 |
530 |
710 |
850 |
2435 |
1000 |
925 |
1685 |
1590 |
36-48 |
1755 |
1640 |
36-62 |
||||
|
1600 |
64 |
600 |
790 |
1030 |
2780 |
1000 |
925 |
1930 |
1820 |
40-56 |
1975 |
1860 |
40-62 |
||||
|
1800 |
72 |
670 |
870 |
1230 |
3020 |
1100 |
980 |
2130 |
2020 |
44-56 |
2195 |
2070 |
44-70 |
||||
|
2000 |
80 |
760 |
950 |
1350 |
3270 |
1100 |
980 |
2345 |
2230 |
48-62 |
2425 |
2300 |
48-70 |
||||
|
DN |
结构长度 (标准值 ) |
外形尺寸(参考值) |
连接尺寸(标准值) |
|||||||
|
H |
D343H |
PN4.0MPa |
||||||||
|
L |
||||||||||
|
毫米 |
英寸 |
短 |
长 |
H1 |
A1 |
B1 |
D |
D1 |
Z-d |
|
|
50 |
2 |
108 |
150 |
112 |
350 |
180 |
200 |
165 |
125 |
4-18 |
|
65 |
2 1/2 |
112 |
170 |
115 |
370 |
180 |
200 |
185 |
145 |
8-18 |
|
80 |
3 |
114 |
180 |
120 |
380 |
180 |
200 |
200 |
160 |
8-18 |
|
100 |
4 |
127 |
190 |
138 |
420 |
180 |
200 |
235 |
190 |
8-22 |
|
125 |
5 |
140 |
200 |
164 |
460 |
180 |
200 |
270 |
220 |
8-26 |
|
150 |
6 |
140 |
210 |
175 |
555 |
270 |
280 |
300 |
250 |
8-26 |
|
200 |
8 |
152 |
230 |
200 |
760 |
400 |
425 |
375 |
320 |
12-30 |
|
250 |
10 |
165 |
250 |
243 |
830 |
400 |
425 |
450 |
385 |
12-33 |
|
300 |
12 |
178 |
270 |
250 |
895 |
450 |
560 |
515 |
450 |
16-33 |
|
350 |
14 |
190 |
290 |
280 |
950 |
450 |
560 |
580 |
510 |
16-36 |
|
400 |
16 |
216 |
310 |
305 |
1190 |
535 |
580 |
660 |
585 |
16-39 |
|
450 |
18 |
222 |
330 |
350 |
1255 |
535 |
580 |
685 |
610 |
20-39 |
|
500 |
20 |
229 |
350 |
380 |
1305 |
535 |
580 |
777 |
670 |
20-42 |





