结构特点
1、设计新颖、合理,重量轻,启闭迅速。
2、构紧凑、装拆方便、操力矩小,操作方便,省力灵巧。
3、可以任何位置安装,维修方便。
4、密封材料耐老化、耐腐蚀,使用寿命长等特点。
执行标准
设计标准:GB/T2238-1989
法兰连接尺寸:GB/T9113.1-2000;GB/T9115.1-2000;JB78
结构长度:GB/T12221-1989
压力试验:GB/T13927-1992;JB/T9092-1999
性能参数
公称通径:DN50~400mm
公称压力:PN0.6~1.6MPa
适用温度:-20~60℃
主体材质:304、316、316L
适用介质:空气、水、蒸气、油品等
连接形式:快装式、卡箍式、外螺纹、焊接式
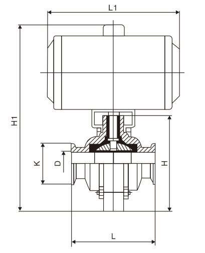
产品尺寸
|
规格Φ |
L1 |
H1 |
K |
D |
H |
L |
Kg |
执行器规格 |
|
19 |
147 |
210 |
50.5 |
16 |
105 |
66 |
2.8 |
AT52 |
|
25 |
147 |
210 |
50.5 |
22 |
105 |
66 |
2.7 |
AT52 |
|
32 |
147 |
210 |
50.5 |
29 |
105 |
66 |
2.6 |
AT52 |
|
38 |
147 |
210 |
50.5 |
35 |
105 |
70 |
2.7 |
AT52 |
|
45 |
147 |
215 |
64 |
42 |
120 |
70 |
2.8 |
AT52 |
|
51 |
147 |
225 |
64 |
48 |
130 |
76 |
3.0 |
AT52 |
|
57 |
168 |
250 |
77 |
53 |
135 |
76 |
4.0 |
AT63 |
|
63 |
168 |
260 |
77 |
59 |
145 |
76 |
4.1 |
AT63 |
|
76 |
168 |
270 |
91 |
72 |
155 |
80 |
4.4 |
AT63 |
|
89 |
168 |
285 |
106 |
85 |
170 |
84 |
5.1 |
AT63 |
|
102 |
183 |
310 |
119 |
98 |
185 |
85 |
6.1 |
AT75 |
|
133 |
205 |
350 |
145 |
127 |
215 |
122 |
9.0 |
AT83 |
|
159 |
260 |
385 |
183 |
153 |
245 |
123 |
12.2 |
AT92 |
|
219 |
265 |
460 |
233 |
213 |
310 |
134 |
17.7 |
AT105 |





