产品详情
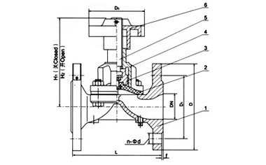
结构特点
1、用隔膜将下部阀体内腔与上部阀盖内腔隔开,使位于隔膜上放的阀杆、阀瓣等零件不受介质腐蚀,且不会产生介质外漏,省去了填料函密封结构。
2、采用橡胶或塑料等软质密封材料制作隔膜,密封性较好。由于隔膜为易损件,应视工况及介质特性而定期更换。
3、受隔膜材料限制,隔膜阀适用于低压及温度不高的场合。
4、衬里材料的多样性,可选用于各种介质,具有良好的防腐蚀特性。
5、隔膜可更换,维护费用低。
执行标准
连接尺寸:BS4504、DIN2532、JIS B2212、ANSI B16.1、ISO2004
性能参数
主要材质:灰铸铁、球墨铸铁、碳钢
公称通径:DN50~1200mm
公称压力:PN1.0~2.5MPa
适用温度:<80℃
适用介质:水及物理、化学性质类似于水的介质
产品尺寸
| DN |
公称压力 MPa |
工作压力 MPa |
L mm |
D mm |
D1 mm |
n-Фd mm |
f mm |
H1 mm |
b mm |
D0 mm |
质量 Kg/kilos |
|---|---|---|---|---|---|---|---|---|---|---|---|
| 15 | 1.6 | 1.6 | 108 | 95 | 65 | 4-14 | 2 | 84 | 92 | 66 | 2 |
| 20 | 117 | 105 | 75 | 4-14 | 2 | 93 | 105 | 66 | 3 | ||
| 25 | 127 | 115 | 85 | 4-14 | 2 | 100 | 112 | 66 | 4 | ||
| 32 | 146 | 140 | 100 | 4-18 | 2 | 127 | 144 | 96 | 6.5 | ||
| 40 | 159 | 150 | 110 | 4-18 | 2 | 136 | 156 | 96 | 7.5 | ||
| 50 | 190 | 165 | 125 | 4-18 | 2 | 151 | 177 | 96 | 10.5 | ||
| 65 | 1.0 | 1.0 | 216 | 185 | 145 | 4-18 | 2 | 183 | 213 | 165 | 17.5 |
| 80 | 254 | 200 | 160 | 8-18 | 2 | 190 | 230 | 230 | 25.5 | ||
| 100 | 305 | 220 | 180 | 8-18 | 2 | 242 | 285 | 280 | 36 | ||
| 125 | 356 | 250 | 210 | 8-18 | 3 | 285 | 348 | 280 | 47.5 | ||
| 150 | 406 | 285 | 240 | 8-22 | 3 | 353 | 431 | 368 | 74 | ||
| 200 | 0.6 | 521 | 340 | 295 | 8-22 | 3 | 445 | 537 | 483 | 143 |





