结构特点
控制功能:(双向或单向)可选类型:常开型、常闭型执行机构外壳适用于环境温度:+5℃~+130℃ 无复位弹簧双作用执行机构电子式位置反馈 独立可调行程极限,适于高低流量手动应急开关 先导阀适用的 Namur适配器
执行标准
设计标准:GB/T2238-1989
法兰连接尺寸:GB/T9113.1-2000;GB/T9115.1-2000;JB78
结构长度:GB/T12221-1989
压力试验:GB/T13927-1992;JB/T9092-1999
性能参数
公称通径:DN10~100mm
压力范围:0-16bar
介质温度:-10℃~+180℃
环境温度:-10℃~+60℃
阀体材料:不锈钢
密封材料:聚四氟乙烯执行
适用介质:中性气体、空气、水
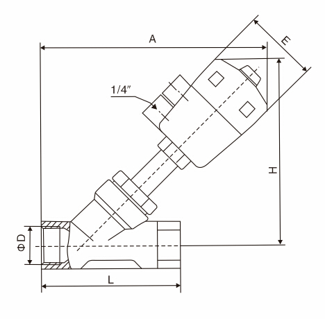
|
型号 |
规格 D |
执行器 mm |
A |
H |
E |
L |
|
DN10 |
3/8" |
Φ50 |
165 |
120 |
64 |
- |
|
DN15 |
1/2" |
Φ50 |
172 |
137 |
64 |
120 |
|
DN20 |
3/4" |
Φ50 |
178 |
145 |
64 |
130 |
|
DN25 |
1" |
Φ50 |
210 |
165 |
64 |
140 |
|
DN32 |
1-1/4" |
Φ63 |
220 |
180 |
80 |
150 |
|
DN40 |
1-1/2" |
Φ63 |
228 |
190 |
80 |
180 |
|
DN50 |
2" |
Φ80 |
268 |
245 |
100 |
195 |
|
DN65 |
2-1/2" |
Φ80 |
282 |
300 |
100 |
230 |
|
DN80 |
3" |
Φ100 |
368 |
340 |
126 |
250 |
|
DN100 |
4" |
Φ125 |
420 |
395 |
156 |
280 |





