结构特点
1、由于软密封蝶阀的密封副和填料多采用聚四氟乙烯、对位聚苯、尼龙、橡胶等高分子聚合物,在频繁启闭的过程中容易产生静电,用于部分易燃、易爆介质的场合会打出火花,造成危险隐患。瓦斯专用阀要求设有防静电结构。我厂生产的蝶阀在蝶板与阀杆、阀体之间设置导弹簧,将静电及时传入管道导入地下,确保系统安全。
2、蝶阀是管线运输中不可缺少的关键部件,为了以防火灾发生时,由于密封面的破坏造成介质的大量流失,蝶阀设计成耐火结构,即在软材料融化后形成金属的硬密封,在火灾期间有些的防止介质外流造成更大的损失。根据用户的需要,蝶阀的阀座及阀杆的密封部位,可以加装注脂阀,当密封部位因磨损或其他原因产生泄漏时,通过注脂阀注入密封脂,起到暂时的密封作用,以便及时采取有效营救措施。
3、根据需要蝶阀可设计成操作机构加长形式,适用于管线埋地辅设安装的场所。适用于低温工况的蝶阀,采用长颈结构设计,使得填料远离介质,避免填料失效。此结构 与操作机构的加长有本质性区别。
4、耐高温、耐磨损、使用寿命长。蝶阀**大区别在于:采用三偏心设计结构。其蝶板安装中心与旋转中心设计有严谨的偏心距„当阀门开启10°乃至全开时,蝶阀的阀座密封面与蝶板即处于无接触状态,关闭时蝶板随阀杆回旋并偏转入阀座密封面而使之密闭。故因启闭过程中的少、无磨损而延长阀门的使用寿命。
5、当蝶阀管路流体压力传入阀座密封函槽内时,由于Posson’s分力作用原理,使密封件在管路压力作用时和O型圈胀力而产生的合力,将阀座密封面挤向蝶板而使阀门密 封。这种密封结构可随管路压力的增加而产生更大的密封力。
6、本蝶阀的阀座可以微调。在阀门使用一定年限后,当密封圈自行磨耗出现渗漏时,可在不拆开阀门的情况下,由调节螺钉把密封压圈向蝶板方向微调到需要的尺寸,就 可得到补偿并具有新阀同样的密封性能。
7、多层次硬密封炫阀系列除配手动装置外,尚可配气动装置或电动装置构成手动蝶阀、气动蝶阀(可附罝反馈信号和加置电-气阀门定位器)和电动蝶阀等三大类六个系列产品。
8、我们的蝶阀不仅结构简单、体积小、重量轻、材料耗用省,安装尺寸小,而且驱动力矩小,操作简便、迅速,并且还可同时具有良好的流量凋节功能和关闭密封特性,是近十几年来发展较快的阀门品种之一。我们的金属密封蝶阀耐高溫、高压、高密封性、长寿命、优良的调节特性以及一阀多用功能,其可靠性及其他性能指标均达较高水平。原始的蝶阀是一种简单的,且关闭不严的挡板阀。通常在水管路系统中作为流量调节阀和阻泥阀使用。我们的蝶阀选用防化学腐蚀的合成橡胶在蝶阀上的应用,蝶阀的性能得以提高。由于合成橡胶具有耐腐蚀、抗冲蚀,尺寸稳定,回弹性好,易于成形,成本低廉等特点,并可根据不同的使用要求选择不同性能的合成橡胶,以满足蝶阀的使用工况条件,因而被广泛用于制造蝶阀的衬里和弹性阀座。为满足高低溫度、耐腐蚀、长寿命等工业应用的使用要求,近十几年来,我们金属密封蝶阀得到了很大的发展。随着耐高温、耐低溫、耐强腐蚀、耐强冲蚀、高强度合金材料在螺阀中的应用,使金属密封玆阀在高低温度、强冲蚀、长寿命等工业领域得到了广泛的应用,使阀门在启闭过程中密封面无任何挤压、擦伤、磨损,从而使蝶阀的密封性和使用寿命成数量级提高。蝶阀在完全开启时,具有较小的流阻,当开启在大约15°至70°之间时,又能进行灵敏的流置控制,因而在大口径的调节领域,蝶阀的应用非常普遍,并将逐步成为主导阀型。由于蝶阀阀板的运动带有擦拭性,故大多数蝶阀可用于带悬浮固体顆粒的介质,依据密封件的强度也可用于粉状和颗粒状介质。三偏心金属密封蝶阀的蝶板回转中心(即阀门轴中心)与蝶板密封面形成一个尺寸A偏置,并与阀体中心线形成一个B偏置;阀体密封面中心线与阀座中心线(即阀体中心线)形成一个角度为β的角位置。
执行标准
质量保证:ISO9000
设计:CJ/T167
结构长度:GB/T12221
法兰标准:GB/T17241.6\API 598 GB/T 9113
试验标准:GB/T13927
性能参数
公称通径:DN50-DN3500 NPS2″-160″
公称压力:PN0.6MPa-PN10MPa Class125-600LB
适用温度:≤80℃
适用介质:瓦斯、天然气、煤气、液化气等
主要材质:A48,A536,WCB,LCB,CF8,CF8M,CF3,CF3M等。
结构类型:对夹式、焊接式、法兰
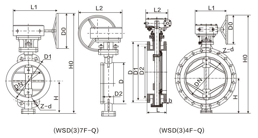
产品尺寸
|
DN |
结构长度(标准值) |
外形尺寸(参考值) |
连接尺寸(标准值) |
WSD(4)7F -Q WT(Kg) |
||||||||||||||
|
H |
WSD(4)7F -Q |
WSD(6)7F -Q |
WSD(9)7F -Q |
PN0.6MPa |
PN1.0MPa |
|||||||||||||
|
英寸 |
毫米 |
短 |
长 |
H1 |
A1 |
B1 |
H2 |
A2 |
B2 |
H3 |
A3 |
B3 |
D1 |
z-d |
D1 |
z-d |
||
|
40 |
1 1/2 |
43 |
43 |
107 |
330 |
180 |
200 |
625 |
245 |
72 |
530 |
250 |
255 |
100 |
4-14 |
110 |
4-18 |
10 |
|
50 |
2 |
43 |
43 |
112 |
350 |
180 |
200 |
625 |
245 |
72 |
530 |
250 |
255 |
110 |
4-14 |
125 |
4-18 |
12 |
|
65 |
2 1/2 |
46 |
46 |
115 |
370 |
180 |
200 |
625 |
245 |
72 |
530 |
250 |
255 |
130 |
4-14 |
145 |
4-18 |
13 |
|
80 |
3 |
49 |
64 |
125 |
380 |
180 |
200 |
645 |
245 |
72 |
565 |
250 |
255 |
150 |
4-18 |
160 |
8-18 |
15 |
|
100 |
4 |
56 |
64 |
138 |
420 |
180 |
200 |
675 |
355 |
92 |
600 |
250 |
255 |
170 |
4-18 |
180 |
8-18 |
17 |
|
125 |
5 |
64 |
70 |
164 |
460 |
180 |
200 |
715 |
355 |
92 |
640 |
250 |
255 |
200 |
8-18 |
210 |
8-18 |
27 |
|
150 |
6 |
70 |
76 |
175 |
555 |
270 |
280 |
800 |
355 |
92 |
704 |
300 |
315 |
225 |
8-18 |
240 |
8-22 |
29 |
|
200 |
8 |
71 |
89 |
215 |
780 |
400 |
425 |
850 |
250 |
170 |
775 |
300 |
315 |
280 |
8-18 |
295 |
8-22 |
45 |
|
250 |
10 |
76 |
114 |
243 |
840 |
400 |
425 |
925 |
250 |
170 |
945 |
300 |
315 |
335 |
12-18 |
350 |
12-22 |
69 |
|
300 |
12 |
83 |
114 |
285 |
995 |
450 |
560 |
1035 |
450 |
220 |
1070 |
300 |
315 |
395 |
12-22 |
400 |
12-22 |
86 |
|
350 |
14 |
92 |
127 |
320 |
1050 |
450 |
560 |
1070 |
450 |
220 |
1140 |
300 |
315 |
445 |
12-22 |
460 |
16-22 |
122 |
|
400 |
16 |
102 |
140 |
350 |
1220 |
535 |
580 |
1190 |
450 |
220 |
1210 |
300 |
315 |
495 |
16-22 |
515 |
16-26 |
141 |
|
450 |
18 |
114 |
152 |
350 |
1280 |
535 |
580 |
1250 |
650 |
280 |
1335 |
575 |
714 |
550 |
16-22 |
565 |
20-26 |
191 |
|
500 |
20 |
127 |
152 |
380 |
1365 |
535 |
580 |
1290 |
650 |
280 |
1415 |
575 |
714 |
600 |
20-22 |
620 |
20-26 |
260 |
|
600 |
24 |
154 |
178 |
435 |
1460 |
570 |
660 |
1455 |
850 |
380 |
1605 |
656 |
810 |
705 |
20-26 |
725 |
20-30 |
380 |
|
700 |
28 |
165 |
229 |
480 |
1520 |
750 |
550 |
1585 |
850 |
380 |
1844 |
656 |
810 |
810 |
24-26 |
840 |
24-30 |
450 |
|
800 |
32 |
190 |
241 |
530 |
1710 |
750 |
550 |
1700 |
1250 |
380 |
2040 |
656 |
810 |
920 |
24-30 |
950 |
24-33 |
650 |
|
900 |
36 |
203 |
241 |
595 |
1810 |
750 |
550 |
1965 |
1250 |
380 |
2255 |
785 |
863 |
1020 |
24-30 |
1050 |
28-33 |
830 |
|
1000 |
40 |
216 |
300 |
650 |
1900 |
900 |
750 |
2015 |
1250 |
380 |
2380 |
785 |
863 |
1120 |
28-30 |
1160 |
28-36 |
1050 |
|
1200 |
48 |
254 |
360 |
775 |
1180 |
1000 |
925 |
2250 |
1250 |
380 |
2640 |
785 |
863 |
1340 |
32-33 |
1380 |
32-39 |
1400 |
|
1400 |
56 |
279 |
390 |
870 |
1450 |
1000 |
925 |
|
|
|
2886 |
|
|
1560 |
36-36 |
1590 |
36-42 |
1900 |
|
1600 |
64 |
318 |
440 |
1000 |
1730 |
1000 |
925 |
|
|
|
3156 |
|
|
1760 |
40-36 |
1820 |
40-48 |
2900 |
|
1800 |
72 |
356 |
490 |
1110 |
3020 |
1100 |
980 |
|
|
|
3421 |
|
|
1970 |
44-39 |
2020 |
44-48 |
4000 |
|
2000 |
80 |
406 |
540 |
1250 |
3270 |
1100 |
980 |
|
|
|
3685 |
|
|
2180 |
48-42 |
2230 |
48-48 |
5300 |
|
DN |
结构长度(标准值) |
外形尺寸(参考值) |
连接尺寸(标准值) |
|||||||||||||||||||
|
H |
WSD(4)4F -Q |
WSD(6)4F -Q |
WSD(9)4F -Q |
PN0.25MPa |
PN0.6MPa |
PN1.0MPa |
||||||||||||||||
|
英寸 |
毫米 |
短 |
长 |
H1 |
A1 |
B1 |
H2 |
A2 |
B2 |
H3 |
A3 |
B3 |
D |
D1 |
z-d | D | D1 |
z-d |
D |
D1 |
z-d |
|
|
40 |
1 1/2 |
106 | 140 | 107 | 330 | 180 | 200 | 605 | 245 | 72 | 530 | 250 | 255 | 130 |
100 |
4-14 |
130 |
100 |
4-14 |
150 |
110 |
4-18 |
|
50 |
2 |
108 |
150 |
112 |
350 |
180 |
200 |
625 |
245 |
72 |
530 |
250 |
255 |
140 |
110 |
4-14 |
140 |
110 |
4-14 |
165 |
125 |
4-18 |
|
65 |
2 1/2 |
112 |
170 |
115 |
370 |
180 |
200 |
645 |
245 |
72 |
530 |
250 |
255 |
160 |
130 |
4-14 |
160 |
130 |
4-14 |
185 |
145 |
4-18 |
|
80 |
3 |
114 |
180 |
120 |
380 |
180 |
200 |
675 |
355 |
92 |
565 |
250 |
255 |
190 |
150 |
4-18 |
190 |
150 |
4-18 |
200 |
160 |
8-18 |
|
100 |
4 |
127 |
190 |
138 |
420 |
180 |
200 |
715 |
355 |
92 |
600 |
250 |
255 |
210 |
170 |
4-18 |
210 |
170 |
4-18 |
220 |
180 |
8-18 |
|
125 |
5 |
140 |
200 |
164 |
460 |
180 |
200 |
800 |
355 |
92 |
640 |
250 |
255 |
240 |
200 |
8-18 |
240 |
200 |
8-18 |
250 |
210 |
8-18 |
|
150 |
6 |
140 |
210 |
175 |
555 |
270 |
280 |
850 |
250 |
170 |
705 |
300 |
315 |
265 |
225 |
8-18 |
265 |
225 |
8-18 |
285 |
240 |
8-22 |
|
200 |
8 |
152 |
230 |
200 |
760 |
400 |
425 |
925 |
250 |
170 |
775 |
300 |
315 |
320 |
280 |
8-18 |
320 |
280 |
8-18 |
340 |
295 |
8-22 |
|
250 |
10 |
165 |
250 |
243 |
830 |
400 |
425 |
1035 |
450 |
220 |
945 |
300 |
315 |
375 |
335 |
12-18 |
375 |
335 |
12-18 |
395 |
350 |
12-22 |
|
300 |
12 |
178 |
270 |
250 |
895 |
450 |
560 |
1070 |
450 |
220 |
1070 |
300 |
315 |
440 |
395 |
12-22 |
440 |
395 |
12-22 |
445 |
400 |
12-22 |
|
350 |
14 |
190 |
290 |
280 |
950 |
450 |
560 |
1190 |
450 |
280 |
1140 |
300 |
315 |
490 |
445 |
12-22 |
490 |
445 |
12-22 |
505 |
460 |
16-22 |
|
400 |
16 |
216 |
310 |
305 |
1190 |
535 |
580 |
1250 |
650 |
280 |
1210 |
300 |
315 |
540 |
495 |
16-22 |
540 |
495 |
16-22 |
565 |
515 |
16-26 |
|
450 |
18 |
222 |
330 |
350 |
1255 |
535 |
580 |
1295 |
650 |
280 |
1335 |
575 |
714 |
595 |
550 |
16-22 |
595 |
550 |
16-22 |
615 |
565 |
20-26 |
|
500 |
20 |
229 |
350 |
380 |
1305 |
535 |
580 |
1455 |
850 |
380 |
1415 |
575 |
714 |
645 |
600 |
20-22 |
645 |
600 |
20-22 |
670 |
620 |
20-26 |
|
600 |
24 |
267 |
390 |
445 |
1340 |
570 |
660 |
1585 |
850 |
380 |
1605 |
656 |
810 |
755 |
705 |
20-26 |
755 |
705 |
20-26 |
780 |
725 |
20-30 |
|
700 |
28 |
292 |
430 |
480 |
1520 |
750 |
550 |
1700 |
1250 |
380 |
1844 |
656 |
810 |
860 |
810 |
24-26 |
860 |
810 |
24-26 |
895 |
840 |
24-30 |
|
800 |
32 |
318 |
470 |
530 |
1710 |
750 |
550 |
1865 |
1250 |
380 |
2040 |
656 |
810 |
975 |
920 |
24-30 |
975 |
920 |
24-30 |
1015 |
950 |
24-33 |
|
900 |
36 |
330 |
510 |
580 |
1810 |
750 |
550 |
2015 |
1500 |
580 |
2255 |
785 |
863 |
1075 |
1020 |
24-30 |
1075 |
1020 |
24-30 |
1115 |
1050 |
28-33 |
|
1000 |
40 |
410 |
550 |
650 |
1960 |
900 |
750 |
2226 |
1500 |
580 |
2380 |
785 |
863 |
1175 |
1120 |
28-30 |
1175 |
1120 |
28-30 |
1230 |
1160 |
28-36 |
|
1200 |
48 |
470 |
630 |
760 |
2250 |
1000 |
925 |
|
|
|
2640 |
785 |
863 |
1375 |
1320 |
32-30 |
1405 |
1340 |
32-33 |
1455 |
1380 |
32-39 |
|
1400 |
56 |
530 |
710 |
850 |
2435 |
1000 |
925 |
|
|
|
2886 |
|
|
1575 |
1520 |
36-30 |
1630 |
1560 |
36-36 |
1675 |
1590 |
36-42 |
|
1600 |
64 |
600 |
790 |
1030 |
2780 |
1000 |
925 |
|
|
|
3156 |
|
|
1790 |
1730 |
40-30 |
1830 |
1760 |
40-36 |
1915 |
1820 |
40-48 |
|
1800 |
72 |
670 |
870 |
1230 |
3020 |
1100 |
980 |
|
|
|
3421 |
|
|
1990 |
1930 |
44-30 |
2045 |
1970 |
44-39 |
2115 |
2020 |
44-48 |
|
2000 |
80 |
760 |
950 |
1350 |
3270 |
1100 |
980 |
|
|
|
3685 |
|
|
2190 |
2130 |
48-30 |
2265 |
2180 |
48-42 |
2325 |
2230 |
48-48 |
|
DN |
结构长度L |
外形尺寸(参考值) |
法兰尺寸(标准值) |
||||||||||||||||
|
毫米 |
英寸 |
短 |
长 |
H |
WSD(4)4F -Q |
WSD(6)4F -Q |
WSD(9)4F -Q |
PN1.6MPa |
PN2.5MPa |
||||||||||
|
H1 |
A1 |
B1 |
H2 |
A2 |
B2 |
H3 |
A3 |
B3 |
D |
D1 |
Z-d |
D |
D1 |
Z-d |
|||||
|
50 |
2 |
108 |
150 |
112 |
350 |
180 |
200 |
625 |
245 |
72 |
530 |
250 |
255 |
165 |
125 |
4-18 |
165 |
125 |
4-18 |
|
65 |
2 1/2 |
112 |
170 |
115 |
370 |
180 |
200 |
625 |
245 |
72 |
530 |
250 |
255 |
185 |
145 |
4-18 |
185 |
145 |
8-18 |
|
80 |
3 |
114 |
180 |
120 |
380 |
180 |
200 |
645 |
245 |
72 |
565 |
250 |
255 |
200 |
160 |
8-18 |
200 |
160 |
8-18 |
|
100 |
4 |
127 |
190 |
138 |
420 |
180 |
200 |
675 |
355 |
92 |
600 |
250 |
255 |
220 |
180 |
8-18 |
235 |
190 |
8-22 |
|
125 |
5 |
140 |
200 |
164 |
460 |
180 |
200 |
715 |
355 |
92 |
640 |
250 |
255 |
250 |
210 |
8-18 |
270 |
220 |
8-26 |
|
150 |
6 |
140 |
210 |
175 |
555 |
270 |
280 |
800 |
355 |
92 |
705 |
300 |
315 |
285 |
240 |
8-22 |
300 |
250 |
8-26 |
|
200 |
8 |
152 |
230 |
200 |
760 |
400 |
425 |
850 |
250 |
170 |
775 |
300 |
315 |
340 |
295 |
12-22 |
360 |
310 |
12-26 |
|
250 |
10 |
165 |
250 |
243 |
830 |
400 |
425 |
925 |
250 |
170 |
945 |
300 |
315 |
405 |
355 |
12-26 |
425 |
370 |
12-30 |
|
300 |
12 |
178 |
270 |
250 |
895 |
450 |
560 |
1035 |
450 |
220 |
1070 |
300 |
315 |
460 |
410 |
12-26 |
485 |
430 |
16-30 |
|
350 |
14 |
190 |
290 |
280 |
950 |
450 |
560 |
1070 |
450 |
220 |
1140 |
300 |
315 |
520 |
470 |
16-26 |
555 |
490 |
16-33 |
|
400 |
16 |
216 |
310 |
305 |
1190 |
535 |
580 |
1190 |
450 |
220 |
1210 |
300 |
315 |
580 |
525 |
16-30 |
620 |
550 |
16-36 |
|
450 |
18 |
222 |
330 |
350 |
1255 |
535 |
580 |
1250 |
650 |
280 |
1335 |
575 |
714 |
640 |
585 |
20-30 |
670 |
600 |
20-36 |
|
500 |
20 |
229 |
350 |
380 |
1305 |
535 |
580 |
1290 |
650 |
280 |
1415 |
575 |
714 |
715 |
650 |
20-33 |
730 |
660 |
20-36 |
|
600 |
24 |
267 |
390 |
445 |
1340 |
570 |
660 |
1455 |
850 |
380 |
1605 |
656 |
810 |
840 |
770 |
20-36 |
845 |
770 |
20-39 |
|
700 |
28 |
292 |
430 |
480 |
1520 |
750 |
550 |
1585 |
850 |
380 |
1844 |
656 |
810 |
910 |
840 |
24-36 |
960 |
875 |
24-42 |
|
800 |
32 |
318 |
470 |
530 |
1710 |
750 |
550 |
1700 |
1250 |
380 |
2040 |
656 |
810 |
1025 |
950 |
24-39 |
1085 |
990 |
24-48 |
|
900 |
36 |
330 |
510 |
580 |
1810 |
750 |
550 |
1865 |
1250 |
380 |
2255 |
785 |
863 |
1125 |
1050 |
28-39 |
1185 |
1090 |
28-48 |
|
1000 |
40 |
410 |
550 |
650 |
1960 |
900 |
750 |
2015 |
1250 |
380 |
2380 |
785 |
863 |
1255 |
1170 |
28-42 |
1320 |
1210 |
28-56 |
|
1200 |
48 |
470 |
630 |
760 |
2250 |
1000 |
925 |
2250 |
1250 |
380 |
2640 |
785 |
863 |
1485 |
1390 |
32-48 |
1530 |
1420 |
32-56 |
|
1400 |
56 |
530 |
710 |
850 |
2435 |
1000 |
925 |
|
|
|
2886 |
|
|
1685 |
1590 |
36-48 |
1755 |
1640 |
36-62 |
|
1600 |
64 |
600 |
790 |
1030 |
2780 |
1000 |
925 |
|
|
|
3156 |
|
|
1930 |
1820 |
40-56 |
1975 |
1860 |
40-62 |
|
1800 |
72 |
670 |
870 |
1230 |
3020 |
1100 |
980 |
|
|
|
3421 |
|
|
2130 |
2020 |
44-56 |
2195 |
2070 |
44-70 |
|
2000 |
80 |
760 |
950 |
1350 |
3270 |
1100 |
980 |
|
|
|
3685 |
|
|
2345 |
2230 |
48-62 |
2425 |
2300 |
48-70 |
|
DN |
结构长度L |
外形尺寸(参考值) |
法兰尺寸(标准值)Flange dnwnsions (standard) |
|||||||||||||
|
毫米 mm |
英寸 Inches |
L |
H |
WSD(4)4F -Q |
WSD(6)4F -Q |
WSD(9)4F -Q |
PN4.0MPa |
|||||||||
|
短 |
长 |
H1 |
A1 |
B1 |
H2 |
A2 |
B2 |
H3 |
A3 |
B3 |
D |
D1 |
Z-d |
|||
|
50 |
2 |
108 |
150 |
112 |
350 |
180 |
200 |
625 |
250 |
170 |
530 |
250 |
255 |
165 |
125 |
4-18 |
|
65 |
2 1/2 |
112 |
170 |
115 |
370 |
270 |
280 |
625 |
250 |
170 |
530 |
250 |
255 |
185 |
145 |
8-18 |
|
80 |
3 |
114 |
180 |
120 |
380 |
270 |
280 |
645 |
250 |
170 |
565 |
250 |
255 |
200 |
160 |
8-18 |
|
100 |
4 |
127 |
190 |
138 |
420 |
270 |
280 |
675 |
250 |
170 |
600 |
250 |
255 |
235 |
190 |
8-22 |
|
125 |
5 |
140 |
200 |
164 |
460 |
380 |
420 |
715 |
450 |
220 |
640 |
250 |
255 |
270 |
220 |
8-26 |
|
150 |
6 |
140 |
210 |
175 |
555 |
380 |
420 |
800 |
450 |
220 |
704 |
300 |
315 |
300 |
250 |
8-26 |
|
200 |
8 |
152 |
230 |
208 |
780 |
400 |
425 |
850 |
450 |
220 |
775 |
300 |
315 |
375 |
320 |
12-30 |
|
250 |
10 |
165 |
250 |
243 |
830 |
400 |
425 |
925 |
450 |
280 |
945 |
300 |
315 |
450 |
385 |
12-33 |
|
300 |
12 |
178 |
270 |
285 |
895 |
450 |
560 |
1035 |
650 |
280 |
1070 |
300 |
315 |
515 |
450 |
16-33 |
|
350 |
14 |
190 |
290 |
320 |
950 |
450 |
560 |
1070 |
650 |
280 |
1140 |
300 |
315 |
580 |
510 |
16-36 |
|
400 |
16 |
216 |
310 |
350 |
1190 |
535 |
580 |
1190 |
650 |
280 |
1210 |
300 |
315 |
660 |
585 |
16-39 |
|
450 |
18 |
222 |
330 |
350 |
1255 |
535 |
580 |
- |
- |
- |
1335 |
575 |
714 |
685 |
610 |
20-39 |
|
500 |
20 |
229 |
350 |
380 |
1305 |
535 |
580 |
- |
- |
- |
1415 |
575 |
714 |
755 |
670 |
20-42 |





